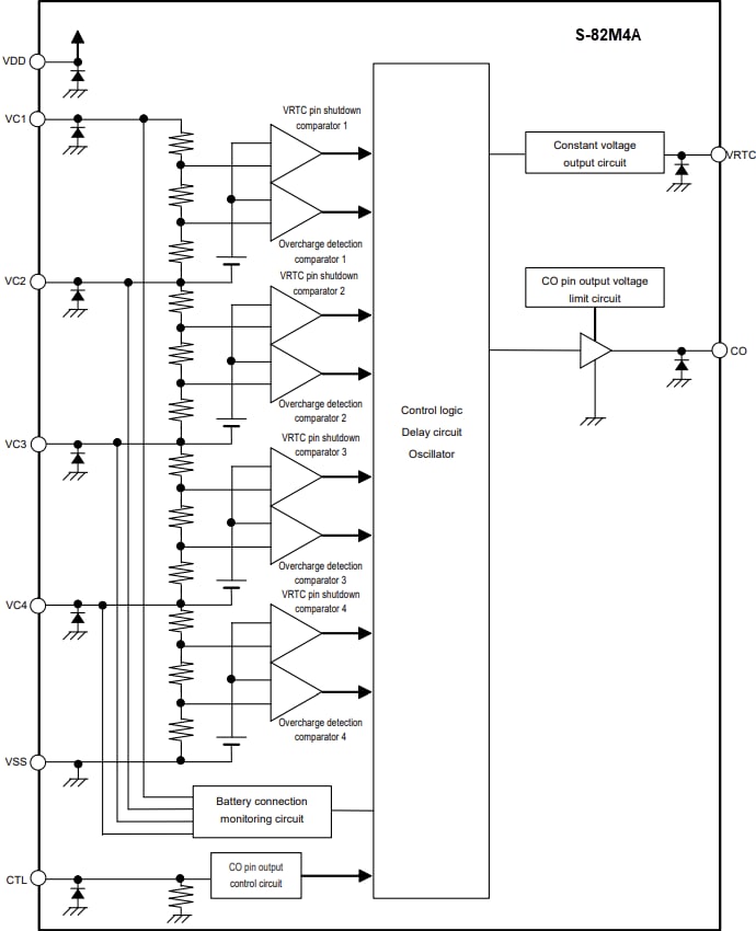
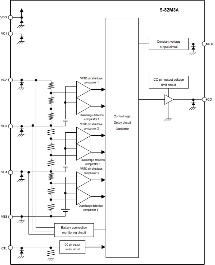
ABLIC S-82M3A/M4A Battery Protection ICs
ABLIC S-82M3A/M4A Battery Protection ICs are designed to protect lithium-ion rechargeable batteries in the secondary state and incorporate high-accuracy voltage detection and delay circuits. The S-82M3A IC enables connection of 3-serial cells, and the S-82M4A IC enables connection of 4-serial cells. These ICs feature a wake-up function to prevent the fuse from blowing during battery connection, and allow the lithium battery to be connected in any order. The S-82M3A/M4A ICs include a constant voltage output circuit capable of outputting a 1.5V to 3.3V constant-voltage power supply for an external Real-Time clock IC (RTC). These ICs are lead-free (Sn 100%) and halogen-free.Features
- High-accuracy voltage detection circuit for each cell:
- Overcharge detection voltage:
- 3.600V to 5V (5mV steps)
- ±15mV (Ta = +25°C) accuracy
- ±20mV (Ta = -10°C to +60°C) accuracy
- Overcharge release voltage:
- 3.600V to 5V
- ±50mV accuracy
- VRTC pin shutdown voltage:
- Overcharge detection voltage:
-
-
- 2.500V to 2.800V (100mV step)
- ±50mV accuracy
-
- The wake-up function monitoring battery connection prevents CO pin output errors during battery connection
- Delay times are generated only by an internal circuit (external capacitors are unnecessary) (1s, 2s, 4s, and 6s overcharge detection delay time, VRTC pin shutdown delay time)
- 2mA maximum VRTC pin output current
- 1.500V to 3.300V (100mV step) VRTC pin output voltage with ±2% (Ta = +25°C) accuracy
- CO pin output voltage is limited to 7.5V maximum
- Output control function via CTL pin (CTL pin is pulled down internally)
- Overcharge timer reset function (available and unavailable)
- -40°C to +85°C wide operating temperature range
- Lead-free (Sn 100%) and halogen-free
Product Overview
Published: 2025-06-04
| Updated: 2025-06-12
