Advanced Linear Devices SABMBOVP/SABMBOVP2XX Over Voltage Protection PCBs
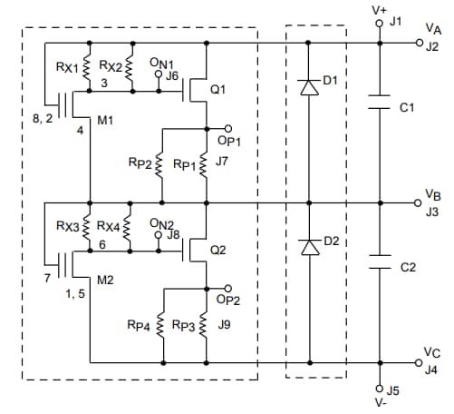
Advanced Linear Devices SABMBOVP/SABMBOVP2XX Over Voltage Protection PCBs are designed to balance supercapacitors with over-voltage protection and use little or no power. These PCBs are populated with an ALD910XX Supercapacitor Auto Balancing (SAB™) MOSFET IC chip that specifies the circuit threshold or clamping voltage. The SAB MOSFETS are ALD exclusive EPAD® MOSFETs that address voltage balancing of multiple supercapacitor cells connected in series. The SABMBOVP2XX PCBs and the SAB MOSFETs are economical, compact, and effective in balancing supercapacitors of any size with minimal power dissipation. These PCBs from Advanced Linear Devices feature a precision threshold voltage set point, high maximum clamp output current, fully automatic OVP, and a broad selection of threshold voltages.The SABMBOVP is a blank PCB that system designers and application developers can use with the entire ALD9100XX family of SAB MOSFETs. This PCB features two OVP circuits with each functioning as a precision voltage clamp with extremely high current gain characteristics. Each of the two OVP circuits can be individually used with any electronic circuitry requiring precision over-voltage clamps. The
SABMBOVP2XX PCB can be viewed as a precision voltage clamp circuit that offers a superior Zener-diode type of functionality. This allows the PCB to perform on superior specifications and characteristics in creating a strong, precision voltage clamp.
Features
- Extremely low output currents at input voltages below the threshold voltage
- Precision threshold voltage set point
- Extreme change of output current in response to small changes in input voltage
- High maximum clamp output current of 100mA or greater
- Over Voltage Protection (OVP) for any size of supercapacitor stacks in series or in parallel
- Ultra-low-power for energy harvesting and battery-powered applications
- Fully automatic OVP - no trimming adjustments, no additional circuits, and no software
- Broad selection of threshold voltages for wide variety of OVP applications
- Corrects imbalances in both capacitance value and DC leakage current
Performance Characteristics
SABMBOVP2XX SCHEMATIC DIAGRAM
Mechanical Drawing
Published: 2019-09-23
| Updated: 2023-03-28
