Amphenol / SV Microwave Reverse-Mount Thru-Hole RF PCB Connectors

Amphenol / SV Microwave Reverse-Mount Thru-hole RF PCB Connectors offer superior signal integrity by eliminating via transitions, making the connectors ideal for high-frequency designs. These reverse-mount RF connectors also reduce parasitics, simplify routing, and reduce PCB stackup, improving mechanical integration for modern RF systems. Amphenol / SV Microwave Reverse-Mount Thru-Hole RF PCB Connectors are available in SMP and SMPM series and are rated to work up to 40GHz.

Features

  • Direct signal path reduces insertion loss and reflections
  • Space-saving, low-profile mechanical integration
  • Eliminates cable from the top of the PCB
  • Clean, predictable impedance transitions
  • Up to 26.5GHz (SMP) or 40GHz (SMPM) frequency
  • 50Ω impedance

Applications

  • RADAR and satellite communications
  • Compact modules
  • mmWave systems
  • 5G

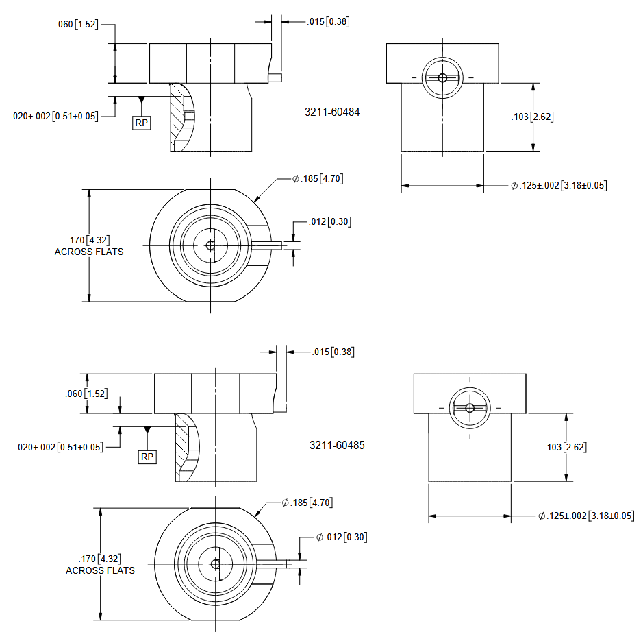
SMP Product Drawings

Mechanical Drawing - Amphenol / SV Microwave Reverse-Mount Thru-Hole RF PCB Connectors

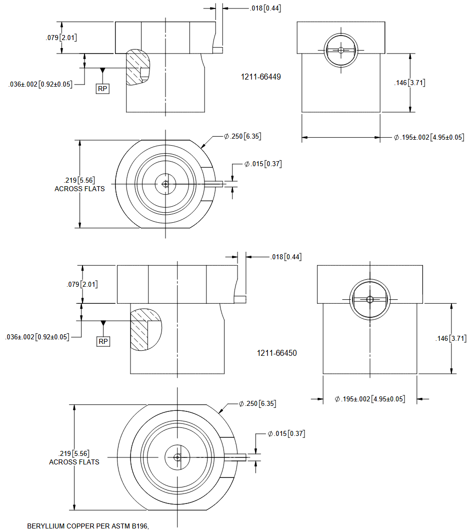
SMPM Product Drawings

Mechanical Drawing - Amphenol / SV Microwave Reverse-Mount Thru-Hole RF PCB Connectors
Published: 2025-10-14 | Updated: 2025-10-23