Analog Devices Inc. ADES175x High-Voltage Data-Acquisition Systems
Analog Devices Inc. ADES175x High-Voltage Data-Acquisition Systems are flexible systems for the management of low-voltage and high-voltage battery modules. These systems measure fourteen cell voltages and a combination of six temperatures or system voltages with redundant measurement engines in 162μs. The ADES175x systems can perform all inputs with the Analog Digital Converter (ADC) measurement engine 99μs. These systems use battery-management UART protocol for robust communications and support an I2C controller interface for external device control.The ADES175x systems include individually configurable safety alerts, such as overvoltage, undervoltage, overtemperature, and undertemperature faults. These systems operate at 65V maximum supply voltage and -40°C to 105°C temperature range. The ADES175x systems are used in EV charging, battery-powered tools, super-cap systems, high-voltage battery stacks, and residential battery storage systems.
Features
- Redundant ADC and Comparator (COMP) acquisitions
- Simultaneous cell and bus-bar voltage acquisitions
- 14 cell-voltage measurement channels:
- 2.2mV/5mV/10mV accuracy (-40°C to 105°C)
- 1.8mV accuracy (5°C to 65°C)
- 14 cell-balancing switches:
- >300mA software-programmable balancing current
- Automated balancing by cell voltage
- Automated balancing with individual cell timers
- Emergency discharge mode
- Battery-management UART protocol:
- Inductive for higher Galvanic isolation
- Up to 2Mbps baud rate (auto-detect)
- 1.5μs propagation delay per device
- Daisy-chain up to 32 devices
- Packet-Error Checking (PEC)
- Six configurable auxiliary inputs for temperature, voltage, or GPIO
- Integrated die temperature measurement
- Hot plug-tolerant without external protection
- UART and dual UART interface
- I2C controller
- 32-Bit unique device ID
- Individually configurable safety alerts:
- 1-cell mismatch alert
- Overvoltage and undertemperature faults
- Undervoltage and overtemperature faults
- 65V maximum supply voltage
- Ultra-low power operation
Applications
- Battery-backup systems (UPS)
- High-voltage battery stacks
- Residential battery storage systems
- Super-cap systems
- Battery-powered tools
- EV charging
Videos
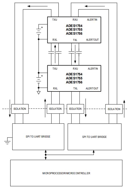
Typical Application Diagram
Published: 2024-02-07
| Updated: 2024-08-30
