Analog Devices Inc. ADL6012-EVALZ Evaluation Board
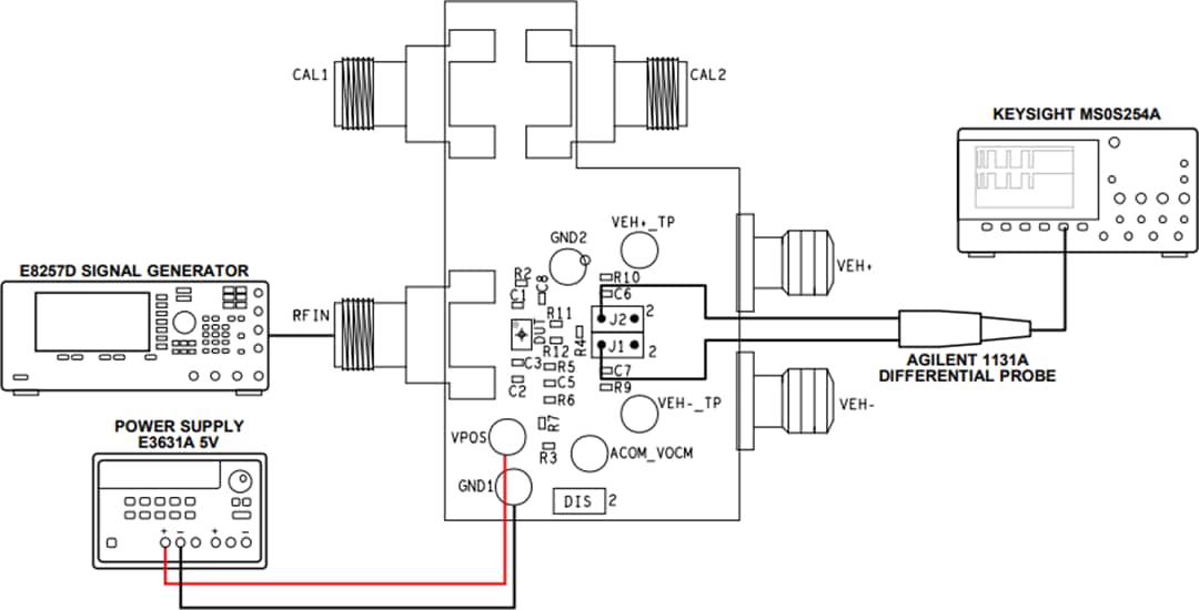
Analog Devices Inc. ADL6012-EVALZ Evaluation Board provides a demonstration and development platform for the ADL6012 2GHz to 67GHz Broadband Envelope Detector. The ADL6012 has fast rise/fall time responses, around 1ns, depending on input power levels, with an output envelope bandwidth of 500MHz. The ADL6012-EVALZ provides the basic connections for the RF input signal and the envelope output voltage. Differential envelope outputs on the ADL6012-EVALZ can be directly connected to a high-speed oscilloscope to evaluate the differential envelope tracking capabilities.Features
- Fully featured evaluation board for the ADL6012
- Specified up to 67GHz
- 3.15V to 5.25V operation
- SMA connectors for RF IN, VEH+, and VEH-
Applications
- Envelope tracking
- Microwave point-to-point links
- Microwave instrumentation
- Military radios
- Pulse radar receivers
- Wideband power amplifier linearization
Required Equipment
- Analog signal generator up to 67GHz
- High-speed oscilloscope
- DC voltmeter
- 5V power supply
- Differential probe
Typical DC Measurement Setup
Envelope Measurement
Differential Envelope Output
Published: 2020-07-06
| Updated: 2024-10-18
