Analog Devices Inc. ADM256xE RS-485 Transceivers
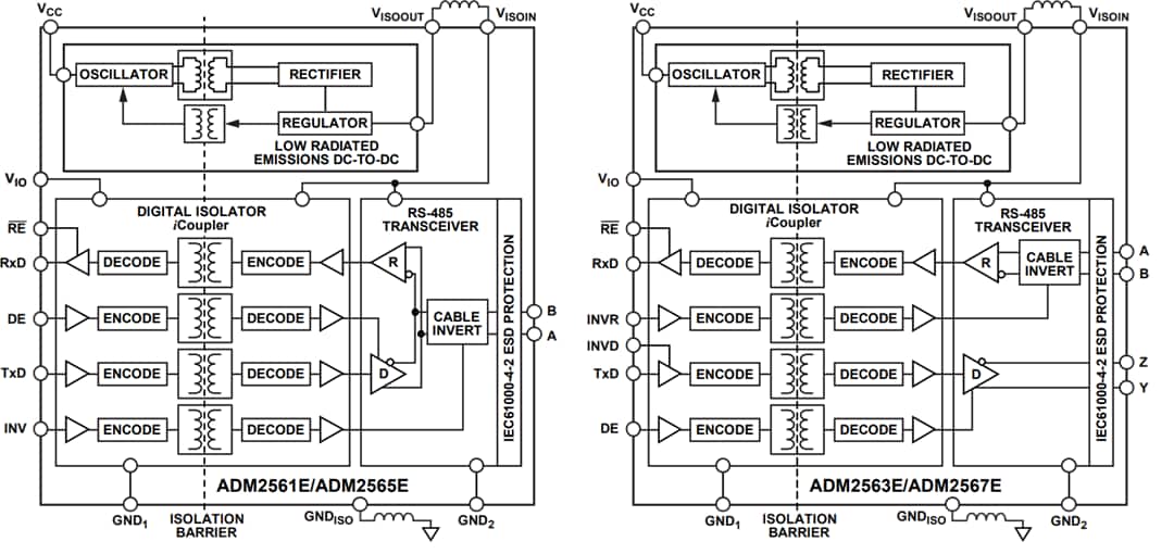
Analog Devices Inc. ADM2561E, ADM2563E, ADM2565E, and ADM2567E RS-485 Transceivers are 3kVRMS signal and power isolated devices, with an integrated DC-DC converter optimized for low Electromagnetic Interference (EMI). The integrated DC-DC converter eliminates the need for an external isolated power supply. The isolation barrier provides immunity to system-level Electromagnetic Compatibility (EMC) standards. The ADM2561E, ADM2563E, ADM2565E, and ADM2567E feature a ±12kV contact and ±15kV air IEC61000-4-2 ESD protection on the RS-485 A, B, Y, and Z pins. The devices also feature cable invert pins, allowing the user to quickly correct reversed cable connection on the A, B, Y, and Z bus pins while maintaining full receiver fail-safe performance.Slew rate limited versions are available, which are optimized for low speed over long cable runs, and have a maximum data rate of 500kbps. Half-duplex and full-duplex variants are also available. The full-duplex generics allow independent cable inversion of the driver and receiver for additional flexibility.
The Analog Devices ADM2561E, ADM2563E, ADM2565E, and ADM2567E RS-485 Transceivers are offered in a 28-lead, wide-body SOIC package.
Features
- 3kVRMS isolated RS-485/RS-422 transceiver
- Low radiated emissions, integrated, isolated DC-to-DC converter
- Passes EN 55032 Class B with margin on a 2-layer PCB
- Cable invert smart feature, correct reversed cable connection on A, B, Y, and Z bus pins while maintaining full receiver fail-safe features
- ESD protection on RS-485 A, B, Y, and Z pins
- ≥±12kV IEC61000-4-2 contact discharge
- ≥±15kV IEC61000-4-2 air discharge
- Data rates
- High speed 25Mbps (ADM2565E and ADM2567E)
- Low-speed 500kbps for EMI control (ADM2561E and ADM2563E)
- Flexible power supplies
- Input VCC supply of 3.0V to 5.0V
- Logic VIO supply of 7.0V to 5.5V
- VSEL pin to select VISO supply of 5.0V (VCC > 5.0V) or 3.3V
- PROFIBUS compliant for 5.0V VISO
- High common-mode transient immunity of 250kV/µs
- Short-circuit, open-circuit, and floating input receiver fail-safe
- Supports 196 bus nodes (72kΩ receiver input impedance)
- Full hot-swap support (glitch-free power-up/power-down)
- Safety and regulatory approvals (pending)
- CSA Component Acceptance Notice 5A
- DIN V VDE V 0884-11
- UL 1577
- CQC11-471543-2012
- IEC 61010-1
- Wide -40°C to +105°C operating temperature range
- 28-lead, fine pitch SOIC_W package, 10.15mm x 10.05mm
Applications
- HVAC (Heating, Ventilation, and Air Conditioning) networks
- Industrial field buses
- Building automation
- Utility networks
- Energy meters
Product Variants
Block Diagrams
Package Outline
Published: 2020-07-08
| Updated: 2024-10-18
