Analog Devices Inc. ADM3485E Low Power Data Transceivers

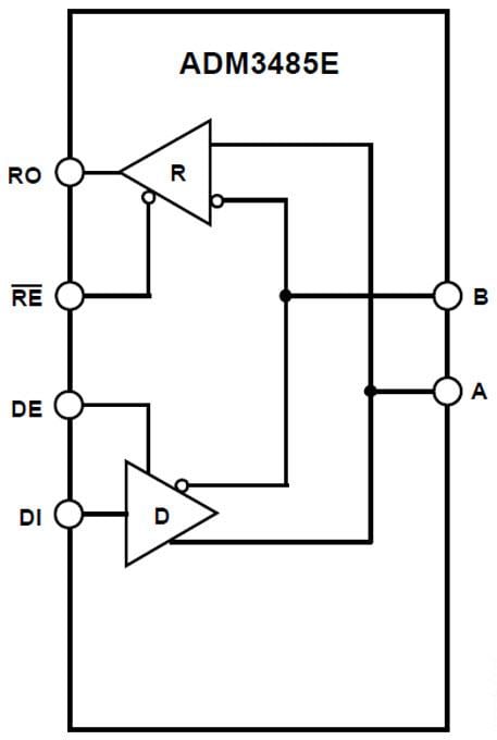
Analog Devices Inc. ADM3485E Low Power Data Transceivers provide ±15kV ESD protection and are suitable for half-duplex communication on multipoint bus transmission lines. The ADM3485E is designed for balanced data transmission and complies with TIA/EIA standards RS-485 and RS-422. The ADM3485E are half-duplex transceivers that share differential lines and has separate enable inputs for the driver and the receiver. 

The devices have a 12kΩ receiver input impedance, which allows up to 32 transceivers on a bus. Because only one driver should be enabled at any time, the output of a disabled or powered-down driver is tristated to avoid overloading the bus. The receivers have a fail-safe feature that ensures a logic high output when the inputs are floating. Excessive power dissipation caused by bus contention or by output shorting is prevented with a thermal shutdown circuit.

Features

  • TIA/EIA RS-485/RS-422 compliant
  • ±15kV ESD protection on RS-485 input/output pins
  • 12Mbps data rate
  • Half-duplex transceiver Up to 32 nodes on the bus Receiver open-circuit, fail-safe design Low power shutdown current
  • Outputs high-Z when disabled or powered off Common-mode input range: −7V to +12V Thermal shutdown and short-circuit protection Industry-standard 75176 pinout
  • 8-lead narrow SOIC package

Applications

  • Power/energy metering
  • Telecommunications
  • EMI-sensitive systems Industrial control
  • Local area networks

Videos

Block Diagram

Block Diagram - Analog Devices Inc. ADM3485E Low Power Data Transceivers
Published: 2013-08-14 | Updated: 2022-03-11