Analog Devices Inc. ADPA1112-EVALZ Evaluation Board

Analog Devices ADPA1112-EVALZ Evaluation Board is a compact and efficient platform designed to evaluate the performance of the ADPA1112 GaN broadband power amplifier. The 2-layer printed circuit board (PCB) fabricated from 10mil thick Rogers 4350B copper clad is mounted to an aluminum heat spreader. The heat spreader provides thermal relief and mechanical support to the PCB. Operating across a wide frequency range of 30MHz to 1200MHz, this board is ideal for RF applications requiring high linearity, gain, and power efficiency.

The Analog Devices ADPA1112-EVALZ features a fully assembled and tested layout that allows engineers to quickly assess the amplifier’s capabilities in real-world conditions. The board includes SMA connectors for easy RF input and output interfacing, along with clearly labeled test points for bias and control voltages. With a robust design and straightforward setup, the ADPA1112-EVALZ is well-suited for use in aerospace and defense systems, communications infrastructures, instrumentation, and software-defined radios.

Features

  • 2-layer Rogers 4350B evaluation board with heat spreader
  • End launch 2.92mm RF connectors
  • Through calibration path
  • 50Ω RF traces characteristic impedance
  • 50Ω grounded coplanar waveguides

Applications

  • Aerospace and defense systems
  • Instrumentation
  • Communications equipment
  • Software-Defined Radios (SDRs)
  • Broadband RF power amplification

Required Equipment

  • RF signal generator
  • RF spectrum analyzer
  • RF network analyzer
  • 30V, 3A power supply
  • -3V to 0V, 10mA power supply
  • 5V, 20mA power supply

Typical Bench Setup and Operation Connections

Mechanical Drawing - Analog Devices Inc. ADPA1112-EVALZ Evaluation Board

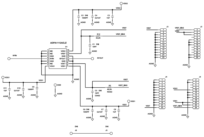
Schematic

Schematic - Analog Devices Inc. ADPA1112-EVALZ Evaluation Board

Assembly Drawing

Mechanical Drawing - Analog Devices Inc. ADPA1112-EVALZ Evaluation Board
Published: 2025-08-01 | Updated: 2025-08-18