Analog Devices Inc. ADuM1254 & ADuM1255 I2C Isolators

Analog Devices ADuM1254 and ADuM1255 I2C Isolators provide two open-drain channels, one unidirectional and one bidirectional, for applications that require data to be transmitted in both directions on the same line but have a unidirectional clock. The outputs on side one contain special buffers that regulate the logic-low voltage at 0.64V, and the input logic-low threshold is at least 50mV lower than the output logic-low voltage, preventing latch-up action. Side two features traditional buffers that do not regulate logic-low output voltage. Analog Devices ADuM1255 isolators offer independent 2.25V to 5.5V supplies on both sides, and the devices operate up to 2MHz. The ADuM1255 furnishes a disturbance-free bus connection for hot-plug connections on side two by pre-charging the bus pins, monitoring the bus state for an idle bus, or detecting an I2C stop condition before connecting sides one and two.

Features

  • Low VOL(MAX) for greater I2C device compatibility
    • Side 1 at 0.69V
    • Side 2 at 0.4V
  • Independent VDD1/VDD2 supplies support 3.3V and 5V logic voltage levels and allow level shifting, 2.25V to 5.5V for both sides
  • Hot-swappable side 2 I/O prevents data corruption initial side 2 connection occurs at bus idle or stop states
  • Bidirectional I2C data transfer up to 2MHz SCL
  • Strong current sinking enables lower RPULL-UP values for faster bus speeds
    • Side 1 at 5mA
    • Side 2 at 50mA
  • Package creepage and clearance
    • 8-narrow SOIC at 4mm
    • 8-wide SOIC at 8mm
  • Robust galvanic isolation of digital signals
    • Continuously Withstands (VIOWM)
      • 8-Narrow SOIC at 445VRMS
      • 8-Wide SOIC at 848VRMS
  • Withstands ±10kV surge per IEC 61000-4-5
  • Safety and regulatory approvals (pending)
    • IEC60747-17 (pending)
      • Reinforced VIORM narrow SOIC at 630VPEAK
      • Reinforced VIORM wide SOIC at 1200VPEAK
    • UL 1577 (pending) 8-Narrow SOIC at 3000VRMS for 1 min
    • 8-Wide SOIC at 5000VRMS for 1 min
  • IEC/EN/CSA 62368-1 (pending)
  • IEC/EN/CSA 61010-1 (pending
  • CAN/CSA-C22.2 No. 14-18 (pending)

Applications

  • Isolated I2C/SMBus interfaces
  • Battery management systems
  • Power over Ethernet (PoE)
  • Motor control systems

Videos

Simplified Application Diagrams

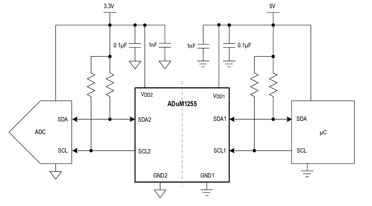
Application Circuit Diagram - Analog Devices Inc. ADuM1254 & ADuM1255 I2C Isolators
Application Circuit Diagram - Analog Devices Inc. ADuM1254 & ADuM1255 I2C Isolators

Timing Test Diagrams

Block Diagram - Analog Devices Inc. ADuM1254 & ADuM1255 I2C Isolators
Block Diagram - Analog Devices Inc. ADuM1254 & ADuM1255 I2C Isolators

Timing Parameter Definition

Location Circuit - Analog Devices Inc. ADuM1254 & ADuM1255 I2C Isolators
Published: 2024-08-30 | Updated: 2024-12-26