Analog Devices Inc. HMC3716 HBT Digital Phase Frequency Detectors
Analog Devices HMC3716 HBT Digital Phase Frequency Detectors operate from 10 to 1300MHz and are designed for low-phase noise synthesizer applications. HMC371 detectors offer high frequency operation and an ultra-low phase noise floor of -153dBc/Hz @ 10kHz offset @ 100MHz. These performance features enable synthesizers with wide loop bandwidth and low N to provide fast switching and very low phase noise. When used with a differential loop amplifier, the HMC3716LP4E produces output voltages that designers can use to phase lock a VCO to a reference oscillator.HMC3716 is housed in a 24-pin, 4mm x 4mm leadless QFN surface-mount package with an exposed ground paddle to improve RF and thermal performance.
Features
- Ultra-low SSB Phase Noise Floor
- -153dBc/Hz @ 10kHz offset @ 100MHz
- Integrated Output Resistors
- Improved Input Sensitivity
- Lock Detect and Invert Functionality
- 24-Pin 4 x 4mm SMT Package
Applications
- Point-to-Point Radios
- Satellite Communication Systems
- Military Applications
- Sonet Clock Generation
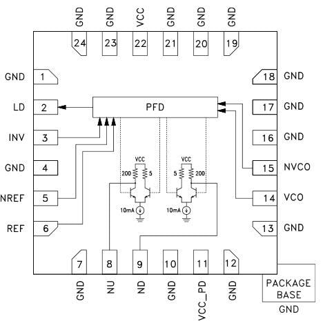
Functional Block Diagram
Published: 2016-09-30
| Updated: 2022-03-11
