Analog Devices Inc. LTM8051 Quad 40Vɪⲛ µModule® Regulators
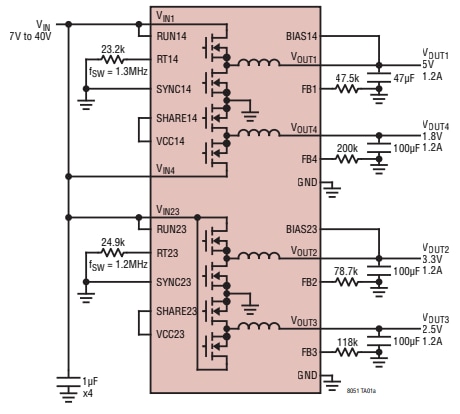
Analog Devices Inc. LTM8051 Quad 40VIN Silent Switcher® μModule® Regulators are 1.2A step-down regulators. The Silent Switcher architecture minimizes EMI while delivering high efficiency at frequencies up to 3MHz. These regulators have controllers, power switches, inductors, and support components. The LTM8051 devices support output voltages from 0.8V to 8V and a switching frequency range of 300kHz to 3MHz, each set by a single resistor. These regulators are available in a compact (6.25mm × 11.25mm × 2.22mm) over-molded Ball Grid Array (BGA) package suitable for automated assembly by standard surface-mount equipment. Typical applications include automated test equipment, distributed supply regulation, industrial supplies, and medical equipment.Features
- Four complete step-down switching power supplies
- Low noise Silent Switcher architecture
- CISPR22 Class B compliant
- CISPR25 Class 5 compliant
- Multiphase or multi-μmodule parallel able for increased output current
Applications
- Automated test equipment
- Distributed supply regulation
- Industrial supplies
- Medical equipment
Specifications
- Wide 3V to 40V input voltage range
- Wide 0.8V to 8V output voltage range
- 300kHz to 3MHz selectable switching frequency range
- Compact surface-mount BGA package (6.25mm × 11.25mm × 2.22mm)
- Continuous output current per channel at 12VIN and 3.3VOUT
- 1.2A at TA = +85°C
- 1.5A at TA = +60°C
- -40°C to +125°C operating temperature range
Block Diagram
Typical Application Circuit Diagram
Performance Graph
Published: 2020-10-30
| Updated: 2024-11-26
