Analog Devices Inc. MAX17616/A 7A Current Limiters

Analog Devices Inc. MAX17616/A 7A Current Limiters offer highly versatile and programmable protection boundaries for systems against input voltage faults and output overcurrent faults. Input-voltage faults (with positive polarity) are protected up to +80V (without reverse current protection) and +75V (with reverse current protection) by an internal nFET featuring low ON-resistance (20mΩ typical). The Analog Devices Inc. MAX17616/A devices feature programmable undervoltage-lockout (UVLO) thresholds by using external voltage dividers. The MAX17616 features a programmable overvoltage-lockout (OVLO) while MAX17616A offers a programmable output voltage clamp function through the OVFB pin that features an output voltage limiting regulation during input transient surge events. Input undervoltage and overvoltage protection (MAX17616)/output voltage clamp function (MAX17616A) can be programmed across the entire 3V to 80V operating range.

Features

  • Robust protection reduces system downtime
    • Wide +3V to +80V input supply range (without reverse current protection)
    • Wide +3V to +75V input supply range (with reverse current protection)
    • ±3% accurate programmable current limit between 3A to 7A across the full temperature range
    • ±4% accurate programmable current limit between 2A to 3A across the full temperature range
    • ±7% accurate programmable current limit between 0.7A to 2A across the full temperature range
    • Input-voltage reverse-polarity protection (with external nFET)
    • Dual stage reverse current protection (with external nFET) with fast 100ns response time
    • Low RON internal nFET (20mΩ typical)
    • Output-voltage reverse-polarity tolerant
    • Loss of ground protection
    • 200% short-term overload capability
    • Programmable overvoltage surge protection (MAX17616A)
  • PMBus interface
    • Real-time operating conditions monitoring, voltage, and current readout
    • Fault registry access and management
    • Device ON/OFF control
    • Current limit mode selection
    • Startup inrush current limit selection
    • Short-term over current limit and time selection
  • Flexible design to maximize reuse and minimize requalification
    • Adjustable UVLO and OVLO/OVFB thresholds
    • ±2% accurate bandwidth current monitoring read-out, IMON (3A to 7A, up to +85°C)
    • Programmable startup inrush current limit
    • Programmable Current Limit Fault Response: Continuous, Autoretry, and Latch-off Modes
    • Logic Level Enable Input (EN)
    • Protected external N-type field effect transistor (nFET) gate drive
    • Power good output (PGOOD)
    • Programmable Output Under Voltage Sense (OUTUV)
    • Junction temperature monitoring (TJ)
    • Thermal foldback current limit
  • Reduced solution footprint
    • 4.5mm x 5.75mm, 23-pin FCQFN package
    • Integrated nFET for common-use protection requirements

Applications

  • Input voltage and output overcurrent protections: The MAX17616/MAX17616A interrupts load current and disconnects the output from the input in input voltage faults and output overcurrent faults.
  • Loss of ground protection: The MAX17616/MAX17616A interrupts load current and disconnects the output from the input in a Loss of Ground event, such as when the single-fault safety fuse on its ground path opens up.
  • Surge protection: The MAX17616A features an output voltage limiting regulation during transient surges in input voltage to protect connected loads from short-duration input voltage surge events.

Simplified Application Diagram

Application Circuit Diagram - Analog Devices Inc. MAX17616/A 7A Current Limiters

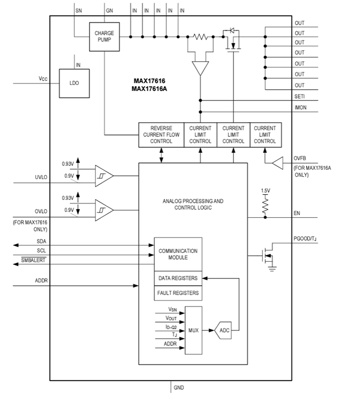
Functional Block Diagram

Block Diagram - Analog Devices Inc. MAX17616/A 7A Current Limiters
Published: 2024-12-12 | Updated: 2025-01-16