Analog Devices Inc. MAX38890 5A Reversible Buck/Boost Regulators
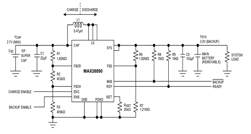
Analog Devices Inc. MAX38890 5A Reversible Buck/Boost Regulators are designed to transfer power between a supercapacitor and a system supply rail. MAX38890 offers a 2.5V to 5.5V system output range and a 0.5V to 5.5V supercapacitor range, with ±1% threshold accuracy. Operating within a -40°C to +125°C temperature range, the 3mm2, 16-pin TQFN packaged MAX38890 components feature 94% peak efficiency (charging/discharging mode), ready/backup state outputs, and a 4μA quiescent current in the ready state.The MAX38890 regulators are externally programmable for maximum supercapacitor voltage, system backup voltage, peak charging, and backup inductor currents. When the main battery is present and the system voltage is above the minimum system voltage for charging, the MAX38890 charges the supercapacitor with a 2.5A maximum average current. Once the supercapacitor is charged, the circuit draws only 4μA of current while maintaining the supercapacitor in the ready state. Upon primary battery removal, the MAX38890 draws power from the supercapacitor and regulates the system voltage to the set backup voltage with a programmed maximum peak inductor current of 5A.
Features
- 2.5V to 5.5V system output voltage range
- 0.5V to 5.5V supercapacitor voltage range
- ±1% threshold accuracy
- 2.5% hysteresis between backup and charging
- 1A to 5A peak inductor current limit (pin-programmable through an external resistor)
- 94% peak efficiency, charging or discharging mode
- 4µA quiescent current in ready state
- Ready and backup state outputs provide real-time status to the system
- 3mm2, 16-Pin TQFN package
- -40°C to +125°C operating temperature range
Applications
- Handheld industrial equipment
- Portable devices/computers with a removable battery
- Industrial sensors and actuators
- Aftermarket automotive tracking
Simplified Application Diagram
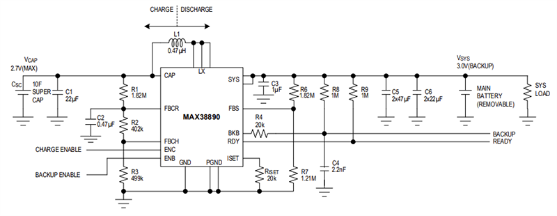
Typical Application Circuit
Block Diagram
Additional Resources
Published: 2023-05-04
| Updated: 2023-05-08
