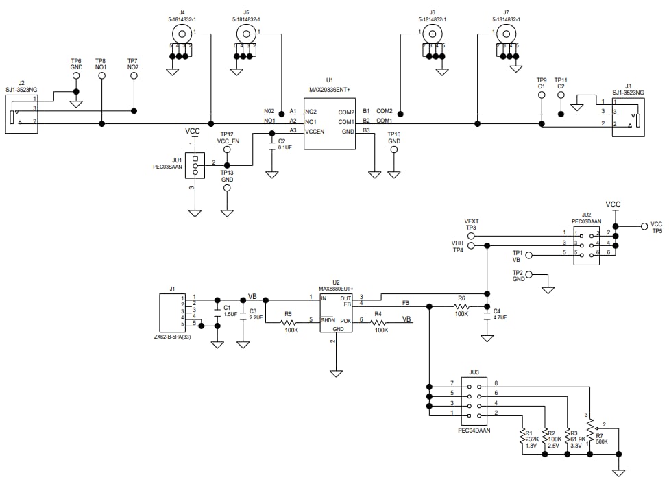
Analog Devices / Maxim Integrated MAX20336EVKIT Evaluation Kit
Analog Devices MAX20336EVKIT Evaluation Kit is used to demonstrate the MAX20336 beyond-the-rails DPST analog switch. This fully assembled and tested circuit board comes with the MAX20336ENT+ installed. The kit can power the VCCEN pin of the IC from different sources. The IC can be powered externally from TP12 on the MAX20336 kit.Features
- USB power option
- SMA connection for testing
- Proven PCB layout
- Fully assembled and tested
Kit Contents
- EV Kit Board containing a MAX20336 IC part
Schematic
Published: 2019-04-25
| Updated: 2023-04-19
