Apacer Technology Inc. SH250-M242 Flash Drives

Apacer Technology Inc. SH250-M242 Flash Drives are designed in SATA 6Gb/s interface and deliver exceptional read/write speed. These flash drives provide full compliance with the SATA Revision 3.2 interface specifications. The SH250-M242 flash drives are built with a powerful SATA controller that supports on-the-module ECC as well as an efficient wear-leveling scheme. These flash drives are implemented with Low-Density Parity Check (LDPC) ECC engine to extend SSD endurance and increase data reliability. The SH250-M242 flash drives are equipped with a built-in thermal sensor to monitor the temperature of the SSD via S.M.A.R.T commands to prevent overheating. These flash drives adopt the latest page mapping file translation layer and come with various implementations. The implementations include power saving modes, wear leveling, flash block management, S.M.A.R.T., TRIM, DataDefender™, and SMART Read Refresh™. Applications include industrial, imaging, computing, and enterprise markets.

Features

  • Flash management:
    • Low-Density Parity-Check (LDPC) code
    • Global wear leveling
    • Flash bad-block management
    • Page mapping flash translation layer
    • S.M.A.R.T.
    • DataDefender™
    • Device sleep
    • ATA secure erase
    • TRIM
    • SAMRT Read Refresh™
    • SLC-liteX (P/E cycle: 100K)
  • 3D TLC (BiCS5) NAND flash type
  • SATA power management modes
  • 75-pin SATA-based M.2 module pinout connector type
  • Security:
    • AES 256-bit hardware encryption
  • Reliability:
    • Thermal sensor
    • End-to-end data protection
  • RoHS compliant

Specifications

  • Capacity:
    • 40GB, 80GB, 160GB, and 320GB
  • Performance:
    • Burst read/write: 600MB/sec
    • Up to 550MB/sec sequential read
    • Up to 485MB/sec sequential write
    • Up to 55,000IOPS random read (4K)
    • Up to 63,000IOPS random write (4K)
  • >3,000,000hours MTBF
  • Endurance (in Drive Writes Per Day: DWPD):
    • 40GB: 49.54DWPD
    • 80GB: 49.95DWPD
    • 160GB: 47.91DWPD
    • 320GB: 42.35DWPD
  • Temperature range:
    • Operating:
      • Standard: 0°C to 70°C
      • Wide: -40°C to 85°C
      • Storage: -55°C to 100°C
  • 3.3V ±5% supply voltage
  • Power consumption:
    • Active mode (maximum): 410mA
    • Idle mode: 60mA
  • Form factor:
    • Double-sided: M.2 2280-D5-B-M
    • 42mm x 22mm x 3.88mm maximum dimensions
    • Net weight: 3.86g ±5%

Applications

  • Industrial
  • Imaging
  • Computing
  • Enterprise markets

Functional Block Diagram

Block Diagram - Apacer Technology Inc. SH250-M242 Flash Drives

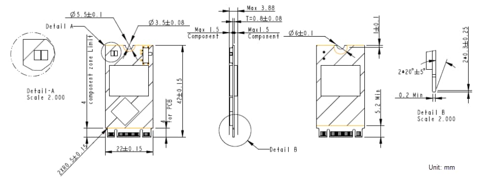
Dimensions Diagram

Mechanical Drawing - Apacer Technology Inc. SH250-M242 Flash Drives
Published: 2023-06-09 | Updated: 2023-08-03