Apex Microtechnology EK71 Evaluation Kit
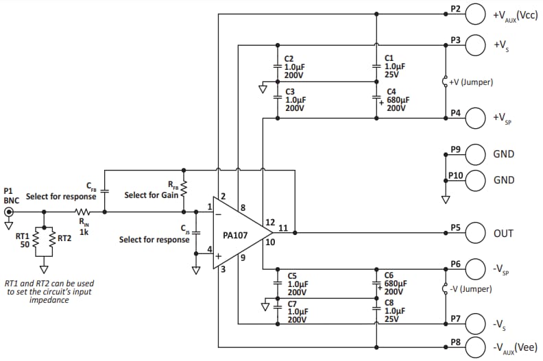
Apex Microtechnology EK71 Evaluation Kit provides a convenient way to breadboard and evaluate design ideas for the PA107 power operational amplifier. The board is pre-wired for all required external components. The Ek71 is laid out and labeled to easily configure the high voltage operational amplifier in an inverting configuration. The board can analyze a multitude of standard or proprietary circuit configurations.Features
- Evaluate design ideas for the PA107 power operational amplifier
- Pre-wired for all required external components
- Laid out and labeled to easily configure the high voltage operational amplifier in an inverting configuration
- Flexible enough to analyze a multitude of standard or proprietary circuit configurations
- Components not usually readily available in engineering labs are provided
- External connection to the evaluation kit can be made via the terminal connectors at the edge of the circuit board
- Connectors are suitable for standard banana plugs
Schematic
Published: 2022-08-05
| Updated: 2022-08-08
