Bourns SM51589PEL LAN 10/100/1000 Base-T Transformer
Bourns SM51589PEL LAN 10/100/1000 Base-T Transformer (PoE) Module is a single-port, potted construction LAN 10/100/1000 Base-T transformer that is designed for Ethernet applications with PoE function. This model features an extended operating temperature range from -40 to +85°C with unique 5kVrms isolation voltage. Bourns SM51589PEL LAN 10/100/1000 Base-T Transformer (PoE) Module can be used as an alternate component to the existing Model SM51589EL.Features
- Compliant with IEEE802.3 standards
- Designed for 10/100/1000 Base-T and PoE
- 5KVAC dielectric withstanding voltage
- RoHS compliant
Applications
- LAN
- Ethernet
- Power over Ethernet - PoE
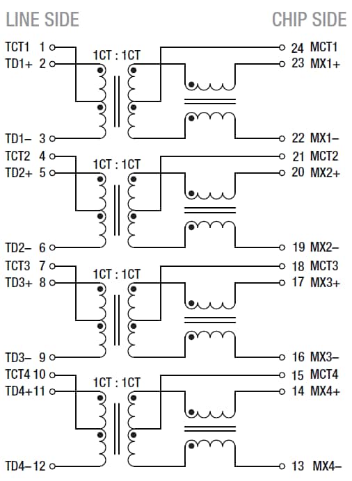
Schematic
Published: 2014-12-10
| Updated: 2024-06-19
