Diodes Incorporated AS2333Q Zero-Drift Operational Amplifier (Op-Amp)

Diodes Incorporated AS2333Q Zero-Drift Operational Amplifier is a dual CMOS op-amp providing ultra-low input offset voltage (8μV typical) and near zero-drift over time and temperature. This technique eliminates 1/f noise and the cross-over distortion presented in most rail-to-rail input operational amplifiers. The high-precision, low quiescent current amplifier offers high-impedance inputs that have a common-mode range of 100mV beyond the rails and rail-to-rail output that swings within 50mV of the rails. Single or dual supplies as low as 1.8V (±0.9V) and up to 5.5V (±2.75V) can be used.

Designed with a chopping stabilization technique, the AS2333Q is optimized for low voltage single-supply applications, especially for low-power high precision applications.

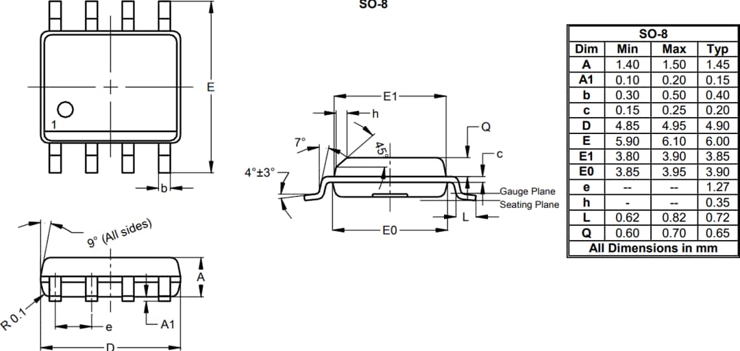
The Diodes Incorporated AS2333Q Op-Amp is available in an industry-standard SO-8 package. The device is AEC-qualified for automotive applications and is temperature grade 1, which is specified for operation from -40°C to +125°C.

Features

  • Low 8μV input offset voltage (typical)
  • Zero drift; 0.02μV/°C typical
  • 0.01Hz to 10Hz Noise; 1.1μVPP
  • Low 12μA quiescent current
  • 8V to 5.5V supply voltage
  • Rail-to-rail input and output
  • 350kHz bandwidth
  • 0.12V/μs typical slew rate
  • -40°C to +125°C operating temperature range
  • SO-8 Package
  • Totally lead-free and RoHS compliant 
  • Halogen and antimony-free "Green" device

Applications

  • Battery-powered instruments
  • Pumps
  • Airbags
  • Position sensors
  • Vehicle occupant detection sensors

Typical Application Circuits

Application Circuit Diagram - Diodes Incorporated AS2333Q Zero-Drift Operational Amplifier (Op-Amp)

Package Outline

Diodes Incorporated AS2333Q Zero-Drift Operational Amplifier (Op-Amp)
Published: 2022-06-29 | Updated: 2024-04-12