DIOO Microcircuits DIA3000 Dual SPDT Switch

DIOO Microcircuits DIA3000 Dual Single-Pole Double Throw (SPDT) Switch is designed to switch USB 2.0 signals in controllers or automotive hubs. This switch features 5.8GHz bandwidth at -3dB, 0.6pF typical ON capacitance, and an over-voltage tolerance function on all I/O pins. The DIA3000 switch includes 1.8V compatible control-pin inputs for /EN and SEL. This switch supports a 2.3V to 5.5V input voltage range and is characterized by -40°C to 125°C ambient temperature. The DIA3000 switch is AEC-Q100 qualified and used in routing high-speed USB signals and phone-controlled automotive infotainment.

Features

  • 2.3VCC to 5.5VCC input voltage range
  • High-speed signal channels support up to 5.5V
  • 5.8GHz bandwidth at -3dB
  • 0.6pF typical ON capacitance
  • 4.6Ω typical ON resistance
  • 1.8V compatible control-pin inputs for /EN and SEL
  • Low-power mode when OE is disabled (1µA)
  • 25µA typical ultra-low power consumption
  • AEC-Q100 qualified:
    • -40°C ≤ TA ≤ 125°C device ambient temperature
    • -40°C ≤ TJ ≤ 150°C device junction temperature
  • Available in a QFN-10 2mm x 1.5mm package

Applications

  • Routing high-speed USB signals
  • Automotive USB hubs
  • Phone-controlled automotive infotainment

Simplified Schematic Diagram

Schematic - DIOO Microcircuits DIA3000 Dual SPDT Switch

Block Diagram

Block Diagram - DIOO Microcircuits DIA3000 Dual SPDT Switch

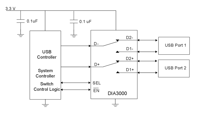
Application Circuit Diagram

Application Circuit Diagram - DIOO Microcircuits DIA3000 Dual SPDT Switch
Published: 2024-10-09 | Updated: 2024-11-19