Diotec Semiconductor MMBT7002K N-Channel Enhancement Mode FETs

Diotec Semiconductor MMBT7002K N-Channel Enhancement Mode FETs offer ESD-protected gate fast switching times ideal for signal processing, logic level converter, and driver applications. The MMBT7002K features a 60V drain-source voltage, 20V gate-source voltage, and 350mW power dissipation. The devices are available in a SOT-23 package and operate at an -55C to 150C junction temperature. The Diotec MMBT7002K N-Channel Enhancement Mode FETs are compliant with RoHS, REACH, and conflict minerals.

Features

  • ESD protected gate fast switching times
  • Compliant to RoHS (w/o exemption), REACH, conflict minerals

Applications

  • Signal processing, logic level converter, drivers
  • Commercial grade
  • Suffix -Q: AEC-Q101 compliant
  • Suffix -AQ: in AEC-Q101 qualification

Specifications

  • 60V Drain source voltage
  • 20V Gate source voltage
  • 350mW Power dissipation
  • 300mA Drain current
  • 800mA Peak drain current
  • -55°C to 150°C Junction temperature

Package/Circuit Application

Diotec Semiconductor MMBT7002K N-Channel Enhancement Mode FETs

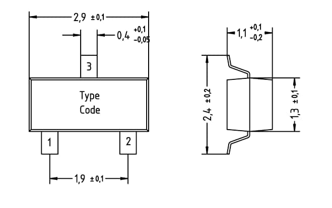
Dimensions mm

Diotec Semiconductor MMBT7002K N-Channel Enhancement Mode FETs
Published: 2022-04-29 | Updated: 2023-02-06