Eaton Electronics 6125 Series Brick Fuses
Eaton Electronics 6125 Brick Fuses are surface mount brick fuses which are also solder immersion compatible. The 6125FF series are fast-acting and feature inrush current protection. The 6125TD series are time-delay type, complies with EIA-IS-722 standards, and are designed to carry rated currents for four hours minimum. The 6125FA series are fast-acting and feature overcurrent protection of systems up to 125VAC/DC.Features
- 6125FF
- Fast-acting surface mount fuse
- Overcurrent protection of systems up to 125VAC/72VDC
- High inrush withstand capability
- Solder immersion compatible
- 6125TD
- Time-delay surface mount fuse
- Satisfies the EIA/IS-722 Standard
- Solder immersion compatible
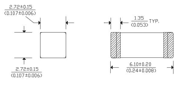
6125FF Dimensions
6125TD Dimensions
Published: 2008-02-21
| Updated: 2024-10-07
