Infineon Technologies Ultra-Low Power PDM XENSIV™ MEMS Microphones
Infineon Technologies Ultra-Low Power Digital PDM XENSIV™ MEMS Microphones are designed for applications which require long battery life and environmental robustness in a small package. These microphones feature a Signal-to-Noise Ratio (SNR) of 66.5dB(A) and 68dB(A), and a low corner frequency of 20Hz. The XENSIV™ MEMS microphones offer enhanced RF shielding and digital Pulse Density Modulation (PDM) output. Typical applications include smartphones and mobile devices, high-quality audio capturing, devices with Voice User Interface (VUI), industrial, or home monitoring with audio pattern detection.Features
- 580µA low current consumption in normal mode
- 190µA ultra-low current consumption in low power mode
- Signal-to-noise ratio (SNR):
- 66.5dB(A) (IM66D132HV01)
- 68dB(A) (IM68D121JV01)
- Flat frequency response with low frequency roll-off at 20Hz
- Component-level IP57 dust and water resistant
- Enhanced RF shielding
- Digital PDM output
- Bottom port
- Halogen free
- RoHS compliant
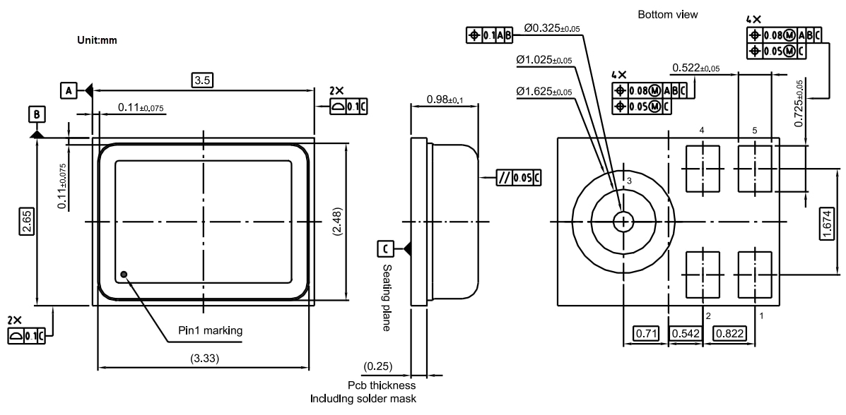
- 3.5mm x 2.65mm x 0.98mm package dimensions
Applications
- Smartphones and mobile devices
- Active Noise Cancellation (ANC) headphones and earbuds
- High-quality audio capturing:
- Laptops and tablets
- Conference systems
- Cameras, camcorders, and camera accessories
- Devices with Voice User Interface (VUI):
- Smart speakers
- Home automation
- IOT devices
- Industrial or home monitoring with audio pattern detection
Block Diagram
Dimension Diagram
Datasheets
Published: 2025-09-25
| Updated: 2025-10-28
