MACOM CMPA1C1D080F-AMP Evaluation Board

MACOM CMPA1C1D080F-AMP Evaluation Board allows users to evaluate the CMPA1C1D080F Power Amplifier. The CMPA1C1D080F 90W 12.75GHz to 13.25GHz GaN MMIC Power Amplifier utilizes high performance, 0.25um GaN on the SiC production process. The HPA is offered in a bolt-down, flange package providing exceptional thermal management.

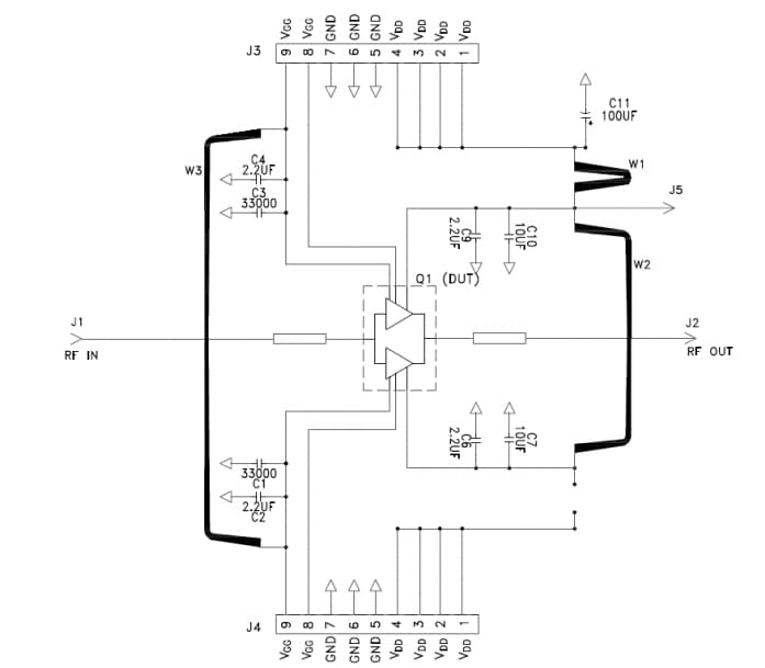
The MACOM CMPA1C1D080F-AMP Evaluation Board is delivered with the CMPA1C1D080F Amplifier installed.

Features

  • 90W typical PSAT
  • >21% typical power-added efficiency
  • 25dB small signal gain
  • 20W total output power at -30dBc IM3
  • Operation up to 40V

Application Circuit

Schematic - MACOM CMPA1C1D080F-AMP Evaluation Board
Published: 2021-09-10 | Updated: 2024-01-17