MEAN WELL GD2 IGBT DC-DC Converters

MEAN WELL GD2 IGBT DC-DC Converters come in a compact SIP7 package with international standard pinout and operate in a temperature range of -40°C to +90°C. These converters are 2W isolated and unregulated module types that offer high efficiency of up to 82%, 4.3KVAC or 6.2KVDC high I/O isolation ratings, and continuous short-circuit protection. GD2 converters account for various input voltages of  12V/15V/24V ±10% and different output positive and negative voltages. MEAN WELL GD2 IGBT DC-DC Converters are suitable for wireless networks, industrial robotics, motor drives, solar inverters, induction heating, and datacom systems.
Infographic - MEAN WELL GD2 IGBT DC-DC Converters

Features

  • SIP7 package with international standard pinout
  • Performance optimized for IGBT/SiC
  • Bipolar asymmetric unregulated output
  • Low coupling isolation capacitance (Cio)
  • Continuous short-circuit protection

Applications

  • Server telecom / datacom systems
  • Wireless network
  • Industrial control facilities
  • Industrial robotics
  • Motor drivers
  • Solar inverters
  • Induction heating

Specifications

  • 4.3KVAC or 6.2KVDC high I/O isolation
  • 100ms maximum startup time
  • 2W rated power
  • 50mVp-p ripple and noise rating
  • 5pF isolation capacitance
  • ±5% load regulation
  • -40°C to +90°C operating temperature range
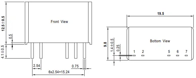
  • 19.5mm x 9.8m x 12.5mm dimensions

Dimensions

Mechanical Drawing - MEAN WELL GD2 IGBT DC-DC Converters

EMC Suggestion

Mechanical Drawing - MEAN WELL GD2 IGBT DC-DC Converters
Published: 2024-10-08 | Updated: 2024-11-07