Monolithic Power Systems (MPS) EV4864A-BD-00A Evaluation Board
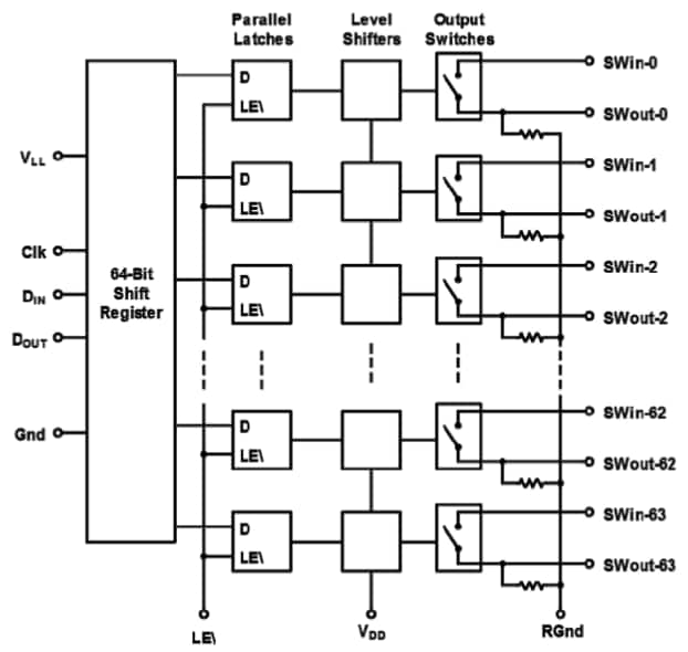
Monolithic Power Systems (MPS) EV4864A-BD-00A Evaluation Board is designed to evaluate the MP4864A, a high-voltage, 64-channel analog switch. The MP4864A analog switch is designed for medical ultrasound applications and used for Non-Destructive Test (NDT) applications. The high voltage analog switches are used to multiplex the transmitter and receiver circuitries to different Piezoelectric Transducer (PZT) elements. The EV4864A-BD-00A board operates with 14Ω typical switch resistance and up to ±90V analog signal.Features
- 64-channel
- No high voltage bias required
- Up to ±90V analog signal
- 14Ω typical switch resistance
- ±2.0A typical switch peak current
- 80MHz clock frequency at VLL=5.0V
- 40MHz clock frequency at VLL=3.3V
- Includes integrated output bleed resistors
Functional Block Diagram
Published: 2024-09-03
| Updated: 2024-10-15
