Monolithic Power Systems (MPS) MP3314 6-Channel White LED Drivers

Monolithic Power Systems (MPS) MP3314 6-Channel White LED (WLED) Drivers operate from a 3V to 30V input voltage (VIN) range. These 6-channel drivers are designed to drive WLED arrays for LCD panels in tablets and notebook backlighting applications. The MP3314 WLED drivers offer a 60mA maximum current for each channel. These 6-channel drivers feature peak current mode control and Pulse-Width Modulation (PWM) control to regulate the boost converter’s output voltage (VOUT). The MP3314 WLED drivers support a configurable switching slew rate and FSS function to reduce EMI. These 6-channel drivers achieve high efficiency with a low headroom voltage for LED regulation and a low MOSFET on resistance.

The MP3314 WLED drivers include LED open protection, LED short protection, Over-Current Protection (OCP), Over-Voltage Protection (OVP), and over-temperature protection. These 6-channel drivers are available in QFN-24 (4mm x 4mm) and CSP-20 (2.4mm x 1.74mm) packages. Typical applications include tablets, notebooks, and small-size LCD displays.

Features

  • 3V to 30V input voltage (VIN) range
  • 6 channels
  • 60mA/Ch maximum current
  • 50V, 150mΩ on resistance, integrated Low-Side MOSFET (LS-FET)
  • Up to 43V output voltage (VOUT)
  • 187.5mV LED regulation voltage at 20mA
  • 2% LED current (ILED) accuracy at 20mA:
    • 1.5% ILED matching at 20mA (QFN-24)
    • 3% ILED matching at 20mA (CSP-20)
  • 312kHz, 625kHz, or 1250kHz selectable switching frequency (fSW)
  • Auto-selected fSW for high efficiency
  • I2C and external Pulse-Width Modulation (PWM) brightness control
  • Analog, Pulse-Width Modulation (PWM), and mix dimming
  • Phase shift function to reduce noise
  • Configurable switching slew rate and Frequency Spread Spectrum (FSS) function to reduce EMI
  • One-Time Programmable (OTP) memory to configure default register values
  • LED open protection and LED short protection
  • Over-temperature protection
  • Over-Current Protection (OCP), inductor short protection, and diode short protection
  • Available in QFN-24 (4mmx4mm) and CSP20 (2.4mmx1.74mm) packages

Applications

  • Tablets
  • Notebooks
  • Small-size LCD displays

Application Circuit

Application Circuit Diagram - Monolithic Power Systems (MPS) MP3314 6-Channel White LED Drivers

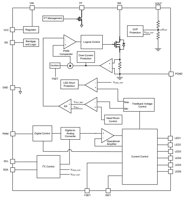
Functional Block Diagram

Block Diagram - Monolithic Power Systems (MPS) MP3314 6-Channel White LED Drivers

Videos

Published: 2024-02-22 | Updated: 2024-06-11