onsemi BCP56M NPN Medium Power Transistor

onsemi BCP56M NPN Medium Power Transistor is designed for general-purpose amplifier applications that offer superior thermal performance. This NPN transistor is housed in a wettable flank DFN2020-3 package for optimal Automated Optical Inspection (AOI). The BCP56M medium power transistor is an 80V, 1A device that operates at -65°C to 150°C junction and storage temperature range. This transistor is AEC-Q101 qualified, PPAP capable, Pb-free, halogen-free/BFR-free, and RoHS-compliant. The BCP56M medium power transistor is ideal for general-purpose switching and amplification, and automotive ECUs.

Features

  • Wettable flank package for optimal Automated Optical Inspection (AOI)
  • NSV prefix for automotive and other applications requiring unique site and control change requirements
  • -65°C to 150°C operating junction and storage temperature range
  • AEC-Q101 qualified and PPAP capable
  • Pb-free, halogen-free/BFR-free, and RoHS-compliant

Applications

  • General purpose switching and amplification
  • Automotive ECUs

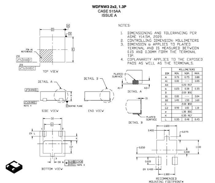
Package Dimensions

onsemi BCP56M NPN Medium Power Transistor
Published: 2024-09-12 | Updated: 2024-10-18