Qorvo QPA0524 5W GaN Power Amplifiers
Qorvo QPA0524 5W GaN Power Amplifiers are high-power, Ku-Band MMIC amplifiers fabricated using Qorvo's production 0.15µm GaN-on-SiC process (QGaN15). The Qorvo QPA0524 targets the 24.25GHz to 26.5GHz frequency range for the 5G and Satcom bands. The devices provide 400mW linear power with ACPR of -30dBc at 802.11ac 160MHz MSC9. The QPA0524 amplifiers can deliver output power up to 5W with 35dB small-signal gain and 23% power-added efficiency.To simplify system integration, the QPA0524 is fully matched to 50Ω with DC-grounded I/O ports for optimum ESD performance. The devices are 100% DC and RF tested to ensure compliance with electrical specifications. The Qorvo QPA0524 supports 5G linear power, communications, and radar applications in commercial and military markets.
Features
- 24.25GHz to 26.5GHz frequency range
- 26dBm linear output power (POUT)
- -30dBc ACPR (POUT = 26dBm, 802.11ac)
- 37dBm POUT [input power (PIN) = 20dBm]
- 23% power-added efficiency (PAE) (PIN = 20dBm)
- 23dBm small signal gain
- 1800mA maximum drain current total
- 31W maximum power dissipation
- Bias
- VD = 20V
- IDQ = 126mA
- VG = -2.2V typical range
- 5.00mm x 5.50mm x 1.63mm package dimensions
- -40°C to +85°C operating temperature range
- Lead-free and RoHS compliant
Applications
- 5G
- Satellite communications
- Radar
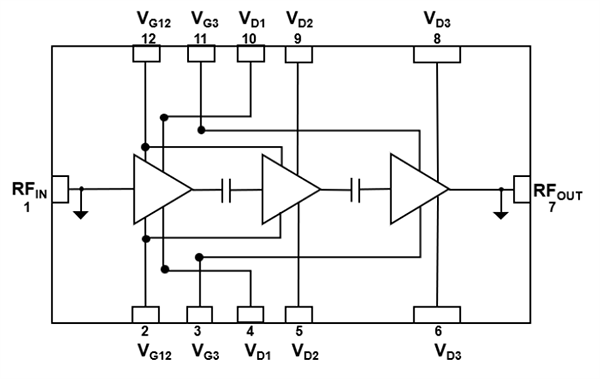
Functional Block Diagram
Published: 2024-07-01
| Updated: 2024-07-04
