Renesas Electronics SLG47011 GreenPAK Programmable Mixed-Signal Matrix
Renesas Electronics SLG47011 GreenPAK Programmable Mixed-Signal Matrix provides a small, low-power solution for commonly used analog-to-digital conversion and mixed-signal functions. A flexible data acquisition system used in conjunction with configurable logic provides a way to implement a wide variety of functions with minimal cost. The user can create a circuit design by programming the one-time programmable (OTP) Non-Volatile Memory (NVM) to configure the interconnect logic, the macrocells, and the IO pins. The Renesas SLG47011 is ideal for consumer electronics, handheld/portable electronics, industrial automation/control, personal computers/servers, PC peripherals, battery voltage/current monitoring, and power monitors.
Features
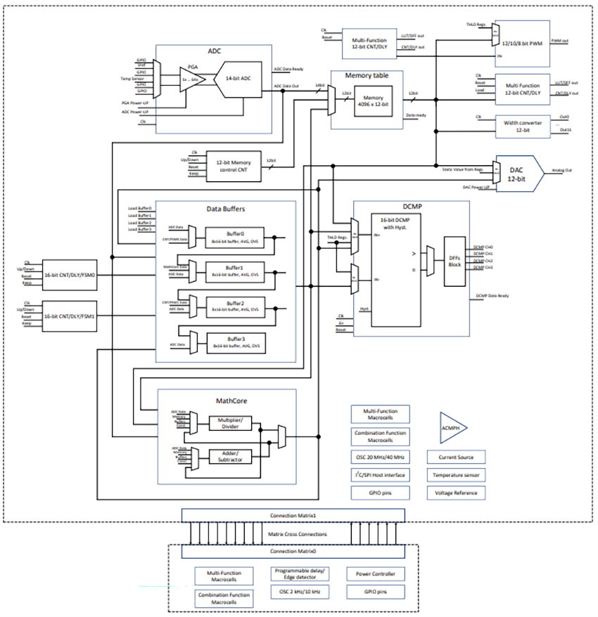
- SAR Analog-to-Digital Converter (ADC)
- 14-, 12-, 10-, and 8-bit selectable resolution
- Up to 2.35Msps in 8-bit mode
- Sampling up to 4x analog channels
- Parallel, I2C, and SPI output options
- Programmable gain amplifier
- 1x to 64x gain selection
- Differential, single-ended modes
- MathCore - Multiplier, Adder, Subtractor, and Shifter options
- 4x independent data buffers
- Buffer length up to 8x 16-bit words
- Oversampling mode (increasing ADC resolution)
- Moving Average mode
- Counter Capture mode
- 4096 words x 12-bit memory table macrocell
- Full Range mode or Two Ranges mode
- ADC data linearization or any y = F(x) function
- ADDR-to-DATA/Storage modes
- 16-bit Multichannel Digital Comparator (MDCMP)
- Sampling up to 4x independent channels
- Static or dynamic threshold
- Hysteresis option for each channel
- Pulse Width Modulation (PWM) macrocell
- 12-bit resolution
- Dynamic duty cycle change (up to 4096 duty cycle value)
- Width converter macrocell
- 12-bit parallel data output
- Optional 12x 1-bit, 6x 2-bit, or 3x 4-bit output
- 12-bit 333ksps Digital-to-Analog Converter (DAC)
- Selectable current source
- Integrated Voltage References (VREF)
- High-speed analog comparator with configurable hysteresis and reference
- 18x combination function macrocells
- 2x 2-bit LUT or DFF/LATCH macrocells
- 8x 3-bit LUT or DFF/LATCH with set/reset
- 6x selectable DFF/LATCH or 3-bit LUTs or shift registers
- 2x 4-bit LUT or DFF/LATCH with set/reset macrocell
- 14x multi-function macrocells
- 10x selectable DFF/LATCH or 3-bit LUTs + 12-bit delay/counters
- 2x selectable DFF/LATCH or 4-bit LUT + 16-bit delay/counter/FSM
- 1x selectable DFF/LATCH or 3-bit LUTs + 12-bit delay/counter/FSM
- 12-bit memory control up/down counter
- SPI and I2C communication interfaces
- Programmable delay with edge detector output
- Deglitch filter or edge detector
- 2x oscillators (OSC)
- 2kHz/10kHz oscillator
- 20MHz/40MHz oscillator
- Analog temperature sensor
- Power-On Reset (POR) with CRC
- Read back protection (read lock)
- 1.71V to 3.6V power supply
- Operating temperature ranges
- -40°C to +85°C for SLG47011V
- -40°C to +105°C for SLG47011-EV
- 16-pin STQFN package, 2.0mm x 2.0mm x 0.55mm, 0.4mm pitch
- Halogen-free and RoHS-compliant
Applications
- Consumer electronics
- Handheld and portable electronics
- Industrial automation and process control
- Personal computers and servers
- PC peripherals
- Battery voltage and current monitoring
- Power monitors
Datasheets
- SLG47011-E - GreenPAK Programmable Mixed-Signal Matrix With Analog-to-Digital Data Acquisition System and With Extended Temperature Range
- SLG47011 - GreenPAK Programmable Mixed-Signal Matrix With Analog-to-Digital Data Acquisition System
Videos
Block Diagram
Analog/Digital Blocks Combined Structure
