ROHM Semiconductor BM624xFS 3-Phase Fan Motor Drivers

ROHM Semiconductor BM624xFS 3-Phase Fan Motor Drivers are brushless drivers that come with a built-in 600V PrestoMOSFET™ as the output transistor. This motor driver features bootstrap operation by a floating high-side driver that includes the diode. The ROHM Semiconductor BM624xFS motor driver incorporates built-in protection circuits for overcurrent, overheating, under-voltage lockout, and external fault input. These motor drivers provide an optimum motor drive system for a wide variety of applications by combination with BD6201x controllers and enable motor unit standardization. Typical applications include air conditioners, air purifiers, water pumps, dishwashers, and washing machines.

Features

  • Protection Circuits Provided
    • Over-Current Protection (OCP)
    • Thermal Shutdown protection (TSD)
    • Under Voltage Lockout protection (UVLO)
    • External fault input
  • Adopts built-in PrestoMOSFET as the output transistor
  • Bootstrap operation by floating high side driver that includes diode
  • Open drain fault output

Specifications

  • 600V output MOSFET voltage
  • ±1.5A (maximum) driver output current (DC)
  • 2.7Ω (typical) output MOSFET DC ON resistance
  • 180° sinusoidal drive type
  • +150°C (maximum) junction temperature
  • SSOP-A54_23 package with 22mm x 14.1mm x 2.4mm dimensions

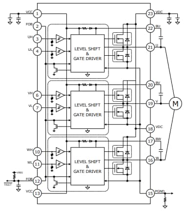
Block Diagram

Block Diagram - ROHM Semiconductor BM624xFS 3-Phase Fan Motor Drivers

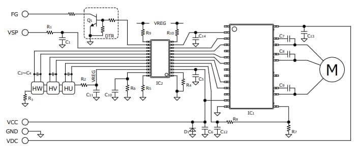
Application Circuit Diagram

Application Circuit Diagram - ROHM Semiconductor BM624xFS 3-Phase Fan Motor Drivers
Published: 2020-04-14 | Updated: 2024-09-26