ROHM Semiconductor RB-D62Q2723GA64 Reference Board
ROHM Semiconductor RB-D62Q2723GA64 Reference Board features the LAPIS ML62Q2723 CMOS 16-bit RISC microcontroller designed for efficient and reliable performance across a range of applications. This ROHM Semiconductor reference board provides a practical platform for evaluating and developing embedded systems, leveraging the ML62Q2723’s low power consumption, high processing efficiency, and versatile peripheral integration. The 16-bit RISC architecture ensures precise control and computation, making it ideal for industrial automation, consumer electronics, IoT devices, and automotive systems. Equipped with various interfaces, including ADC, PWM, UART, SPI, and I2C, the board facilitates rapid prototyping and seamless integration with sensors, actuators, and communication modules. Its robust design and ease of use enable developers to accelerate project timelines while exploring the capabilities of the ML62Q2723 microcontroller.Features
- Provided with the LAPIS ML62Q2723 CMOS 16-bit RISC MCU, 64-pin QFP
- Mounted with the linked connector to EASE1000 V2
- Through-holes for connecting the pins of LSI to external peripheral boards
- Selectable power supply is selectable, supplied from the on-chip emulator EASE1000 V2 or CN1_3pin/CN2_2pin
- Mounted 32.768KHz crystal
- Mounted LEDs (P20, P21, P22)
- Foot pattern with components for Successive Approximation Type A/D Converter is available (P23, P24, P25, P26)
- Low power consumption
- Internal flash memory and RAM
- Flexible I/O and communication interfaces
- Real-time processing
- 1.8V to 5.5V operating supply range
- Compact form factor, 56mm x 94mm x 15mm (WxDxH) size
Applications
- Industrial
- Consumer electronics
- Automotive
- Medical devices
- General Internet of Things (IoT)
- Communications
Overview
Power Circuit
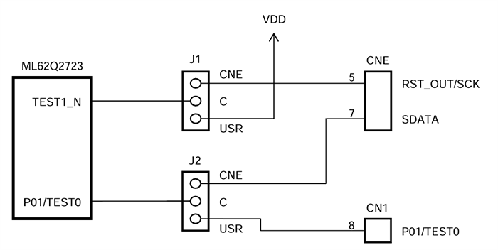
EASE1000 V2 Interface
PCB Layout
Published: 2024-12-31
| Updated: 2025-01-29
