Schurter FMAB NEO Single-Phase Block Filters
SCHURTER FMAB NEO Single-phase Filters are extremely compact relative to their highly effective symmetrical attenuation and are designed for applications with switching semiconductors. The filter family offers a 1A to 60A current range at 125/250VAC with varying leakage current ratings for standard, industrial, and medical (M5 and M80) applications. The filters are available in a host of case sizes and terminal options for Protection Class I and II. A version with an added ground line choke placed between the filter input and output provides enhanced asymmetrical attenuation. A version with the designation HP for high performance is the latest in the range to incorporate a special ring core, further increasing its symmetrical attenuation. These filters are suitable for use in medical equipment, according to IEC/UL 60601-1, as well as IEC/UL 60601-11/12 for at-home medical care, and IT and AV equipment, according to IEC/UL 62368-1. The FMAB NEO filters are cULus and ENEC-approved and CE/RoHS/REACH-compliant.Features
- Compact single-phase filter with high symmetrical attenuation
- Protection class I and II variants according to IEC 61140
- Version with ground line choke
- Four designs (N, P, Q, HP)
- Closed steel housing
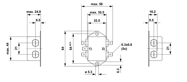
- Quick-connect terminal 6.3 x 0.8 mm, bolt-and-nut, optional wire leads
Applications
- Industrial automation
- Switching semiconductors
- ICT and AV
- Test equipment
- Medical equipment
- Energy
Specifications
- Industrial, standard, or medical (M5 and M80) leakage current at 250V, 60Hz
- Dielectric Strength
- > 1.7kVDC between L-N
- > 2.7kVDC between L/N-PE
- Protection class II: >5.6kVDC between L/N-metal housing test voltage (2sec)
- -40°C to +100°C operating temperature range
- UL E72928, VDE 40041643 approvals
- IEC 60939, UL 1283, CSA C22.2 no. 8 product standards met
- IEC/UL 62368-1 applications standards met
- CE/RoHS/REACH compliant
Dimensions (mm)
Application Circuit Diagrams
Published: 2023-11-08
| Updated: 2023-12-20
