Diodes Incorporated AHE101 InSb Hall Elements
Diodes Incorporated AHE101 InSb Hall Elements offer ultra-high sensitivity to detect small magnetic fields and provide a proportional analog output. These hall elements feature a 415mV maximum output voltage, 2V maximum input voltage, 240Ω to 550Ω input/output resistance range, and -40°C to 125°C operating temperature range. The AHE101 hall elements are configured in a bridge structure and offer a wide -40°C to 125°C operating temperature range. These sensors are available with multiple Hall sensitivities (ranks), providing different output voltage levels for any given field strength, and allowing optimization for various application needs. The AHE101 hall elements are available in the SOT23-4 (Type A) package and comply with RoHS. Typical applications include brushless motors, fans, rotation speed detection, current measurement, wheel rotation speed detection, and magnetic encoders.Features
- Ultra-high sensitivity
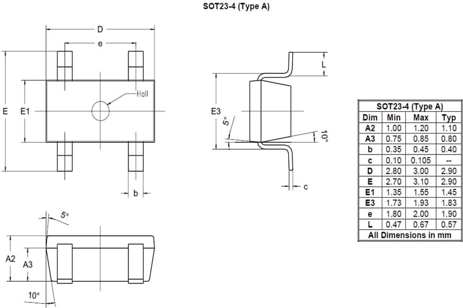
- Classic SOT23-4 (Type A) package
- Totally Lead-free
- Fully RoHS compliant
- Halogen and antimony-free “Green” device
- For automotive applications requiring specific change control (i.e., parts qualified to AEC-Q100/101/104/200, PPAP capable, and manufactured in IATF 16949 certified facilities)
Applications
- Detection of the opening and closing of mobile phones and PCs
- Detection with Joysticks
- Magnetic encoders
- Current measurements with overhead wire ammeters (clamp-type ammeters)
- Position detection with brushless motors and wheel rotation speed detection
- Contactless commutations, speed measurements, and angular position sensing/indexing:
- Consumer home appliances
- Office equipment
- Industrial devices
Specifications
- 20mA maximum input current
- 2V maximum input voltage
- -40°C to 125°C operating temperature range
- 240Ω to 550Ω input/output resistance range
- 168mV output hall voltage (@50mT 1V) minimum
- 415mV output hall voltage (@50mT 1V) maximum
- SOT23-4 (Type A) package
Dimension Diagram
Typical Operating Characteristics
Published: 2025-04-07
| Updated: 2025-05-06
