STMicroelectronics L5987 Buck Regulators

STMicroelectronics L5987 3A Buck Regulators deliver 3A in tiny 3x3mm and HSOP8 packages. These compact, flexible DC-DC converters feature an input voltage range of 2.9V to 18V and an output voltage adjustable from 0.6V. The L5987 buck regulator family also offers internal soft-start and 250kHz switching frequency programmable up to 1MHz. The L5987 buck regulator family is designed for a wide range of applications, including consumer, networking, computer peripherals, industrial, and factory automation.

Features

  • 3ADC output current
  • 2.9V to 18V input voltage
  • Output voltage adjustable from 0.6V
  • 250kHz switching frequency and programmable up to 1MHz
  • Internal soft-start and inhibit
  • 100% duty cycle low dropout operation
  • Voltage feedforward
  • Zero load current operation
  • Overcurrent and thermal protection
  • VFQFPN 3x3-8L and HSOP8 package

Applications

  • Consumer:
    • STB, DVD, DVD recorder, car audio, LCD TV, and monitors
  • Industrial:
    • PLD, PLA, FPGA, and chargers
  • Networking:
    • XDSL, modems, and DC-DC modules
  • Computer:
    • Optical storage, hard disk drive, printers, and audio/graphic cards
  • LED driving

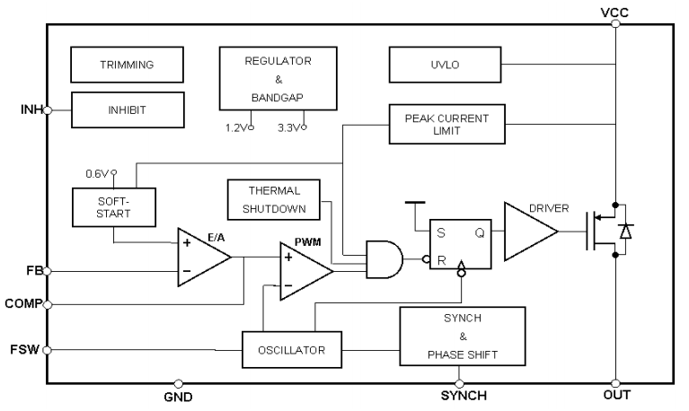
L5987 Block Diagram

Block Diagram - STMicroelectronics L5987 Buck Regulators

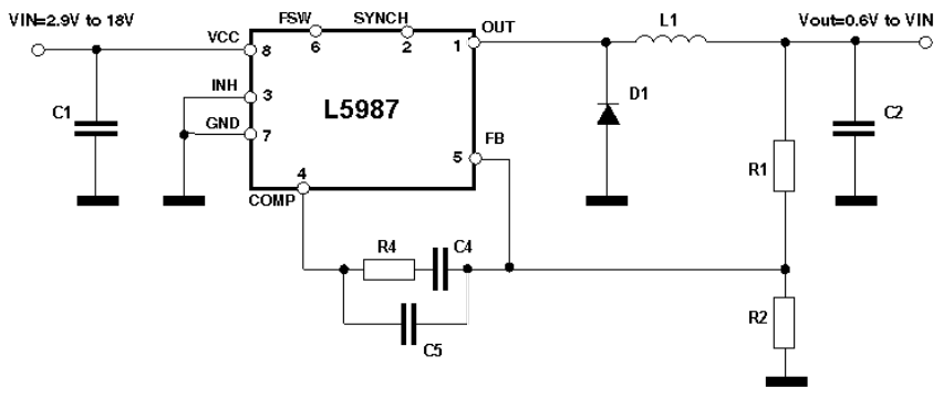
L5987 Application Circuit

Application Circuit Diagram - STMicroelectronics L5987 Buck Regulators
Published: 2009-11-13 | Updated: 2024-03-26