STMicroelectronics STEVAL-ISA188V1 Evaluation Board

STMicroelectronics STEVAL-ISA188V1 Evaluation Board is based on the A6986F3V3 and meets AEC Q100-qualification standards for battery-powered automotive systems. Synchronous rectification helps achieve higher efficiency at full load and application compactness. High-frequency switching (programmable up to 2MHz) helps reduce the cost and size of power passive components while remaining outside the AM band.

Features

  • AEC Q100 qualification
  • 1.5A DC output current
  • 4V to 38V operating input voltage
  • Low consumption mode or low noise mode
  • Programmable ISKIP current
  • 30μA IQ at light load (LCM VIN = 12V)
  • 8μA IQ-SHTDWN
  • Adjustable f SW (250kHz - 2MHz)
  • 3.3V fixed output voltage VOUT
  • Embedded output voltage supervisor
  • Synchronization
  • Adjustable soft-start time
  • Internal current limiting
  • Overvoltage protection
  • Output voltage sequencing
  • Peak current mode architecture
  • 180mΩ RDS(on)HS and 150mΩ RDS(on)LS
  • Thermal shutdown
  • RoHS compliant

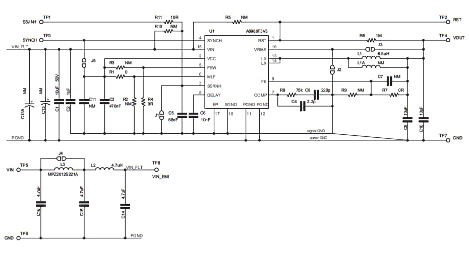
STEVAL-ISA188V1 Schematic

Schematic - STMicroelectronics STEVAL-ISA188V1 Evaluation Board
Published: 2016-05-20 | Updated: 2022-03-11