STMicroelectronics STEVAL-MKI219V1 Adapter Board

STMicroelectronics STEVAL-MKI219V1 Adapter Board is a demonstration and development platform for the LPS22CH High-Performance MEMS Nano Pressure Sensor. The STEVAL-MKI219V1 Adapter Board provides an effective solution for fast system prototyping and device evaluation directly within a user’s application. The STEVAL-MKI219V1 plugs directly into a standard DIL 24 socket.

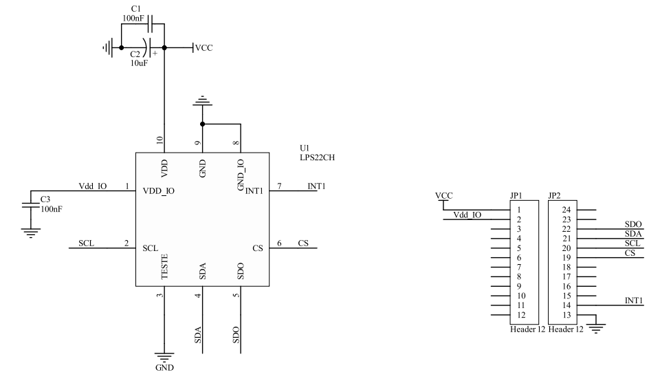
The STM STEVAL-MKI219V1Adapter Board has the complete LPS22CH pin-out and arrives ready-to-use with the required decoupling capacitors on the VDD power supply line.

The STEVAL-MKI109V3 motherboard supports the Adapter Board with a high-performance 32-bit microcontroller that functions as a bridge between the sensor and a PC. A downloadable graphical user interface (UnicoGUI) or dedicated software routines are available for customized applications from the PC.

Features

  • Complete LPS22CH pin-out for a standard DIL 24 socket
  • Fully compatible with the STEVAL-MKI109V3 motherboard
  • RoHS compliant

Circuit Schematic

Schematic - STMicroelectronics STEVAL-MKI219V1 Adapter Board
Published: 2021-02-26 | Updated: 2022-04-19