Taiwan Semiconductor TLD8Sx Surface Mount Transient Voltage Suppressors
Taiwan Semiconductor TLD8Sx ESD Surface Mount Transient Voltage Suppressors feature junction passivation optimized design technology and are unidirectional. These TLD8Sx transient voltage suppressors offer a moisture sensitivity level of 1, per J-STD-020, and are packaged in DO218AB-2. The suppressors are AEC-Q101-qualified and meet ISO7637-2 and ISO16750-2 surge specifications. These suppressors feature Matte tin-plated leads and are solderable per J-STD-002 terminals. The TLD8Sx ESD suppressors operate at 8W power dissipation, 6.6kW peak pulse power dissipation, and -55C° to 175C° temperature range. These suppressors are RoHS-compliant and Halogen-free. The TLD8Sx transient voltage suppressors are used in transient surge protection and automotive load dump surge protection.Features
- AEC-Q101 qualified
- Unidirectional and bidirectional types
- Junction passivation optimized design technology
- Moisture sensitivity level: level 1, per J-STD-020
- Meets IEC 61000-4-2 (Level: 4) / ISO 10605 (Level: L4)
- RoHS compliant
- Halogen-free
Specifications
- 8W steady state power dissipation
- 6.6kW peak pulse power dissipation
- -55C° to 175C° operating temperature range
Applications
- Transient surge protection
- Automotive load dump surge protection
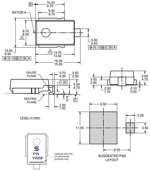
Dimension Diagram
View Results ( 19 ) Page
| Part Number | Working Voltage | Clamping Voltage | Breakdown Voltage | Ipp - Peak Pulse Current |
|---|---|---|---|---|
| TLD8S10CAH | 10 V | 17 V | 11.1 V | 388 A |
| TLD8S11CAH | 11 V | 18.2 V | 12.2 V | 363 A |
| TLD8S12CAH | 12 V | 19.9 V | 13.3 V | 332 A |
| TLD8S13CAH | 13 V | 21.5 V | 14.4 V | 307 A |
| TLD8S14CAH | 14 V | 23.2 V | 15.6 V | 284 A |
| TLD8S15CAH | 15 V | 24.4 V | 16.7 V | 270 A |
| TLD8S16CAH | 16 V | 26 V | 17.8 V | 254 A |
| TLD8S17CAH | 17 V | 27.6 V | 18.9 V | 239 A |
| TLD8S18CAH | 18 V | 29.2 V | 20 V | 226 A |
| TLD8S20CAH | 20 V | 32.4 V | 22.2 V | 204 A |
Published: 2024-01-08
| Updated: 2024-01-22
