EPCOS / TDK HVC27-500C-24P High-Voltage Contactor
EPCOS / TDK HVC27-500C-24P High-Voltage Contactor is gas-filled for high-voltage DC switching and offers a -40°C to +85°C operating temperature range. This contactor features a single 24V coil, main terminals without polarity, a 1000VDC rated voltage, and a 500A rated current. EPCOS / TDK HVC27-500C-24P High-Voltage Contactor is suitable for traction battery systems, electrical energy storage systems (ESS), and DC fast-charging systems.
Features
- Single coil
- Coil termination with varistor
- Main terminals without polarity (bidirectional)
- RoHS compatible
Applications
- Traction battery systems
- ESS
- DC fast-charging stations
Specifications
- 1A contact arrangement
- 3.2mm internal contact gap
- 1000VDC maximum operating voltage
- 0.125mΩ typical contact resistance at 100A DC
- ≥1GΩ insulation resistance
- -40°C to +85°C operating temperature range
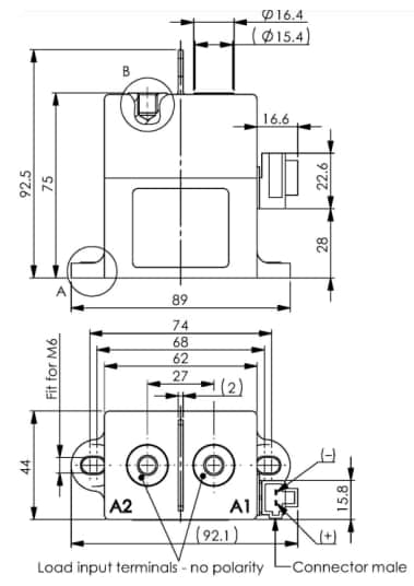
Dimensions
Published: 2025-02-05
| Updated: 2025-12-16
