Texas Instruments bq27Z746 Impedance Track™ Gas Gauge

Texas Instruments bq27Z746 Impedance Track™ Gas Gauge solution is a highly integrated, accurate 1-series cell gas gauge and protection solution. The bq27Z746 device provides a fully integrated pack-based solution with a Flash programmable custom reduced instruction-set CPU (RISC), safety protection, differential battery sensing analog output, and authentication for 1-series cell Li-ion and Li-polymer battery packs.

The Texas Instruments bq27Z746 gas gauge communicates through an I2C compatible interface and combines an ultra-low-power TI BQBMP processor, high accuracy analog measurement capabilities, and integrated Flash memory. It also includes an N-Ch high-side FET drive and an SHA-2 Authentication transform responder making the device a complete, high-performance battery management solution.

Features

  • Integrated battery gas gauge and protector
  • Flash-programmable custom BQBMP RISC CPU
    • SHA-256 authentication
    • 400kHz I2C bus communications interface
  • Low-voltage (2.0V) operation
  • Two independent precision 16-bit ADCs
    • Coulomb counting ADC with current sense resistor down to 1mΩ
    • Voltage ADC for cell voltage and external and internal temperature sensors
  • Battery fuel gauging based on patented Impedance Track™ technology
    • Models battery discharge curve for accurate time-to-empty predictions
    • Automatically adjusts for aging-, temperature-, and rate-induced effects on the battery
  • Battery Kelvin sense differential analog output pins with built-in protection
  • High-side or low-side current sensing
  • Programmable hardware-based protection
    • High-side FET gate drivers
    • Overvoltage and undervoltage (OVP and UVP)
    • Overcurrent in discharge and overcurrent in charge (OCD and OCC)
    • Short circuit in discharge (SCD)
    • Firmware-based overtemperature (OT)
  • Reduced typical power modes
    • SLEEP mode (20µA)
    • SHIP mode (10µA)
    • SHELF mode (5µA)
    • SHUTDOWN mode (0.2µA)
  • Ultra-compact, 15-ball NanoFree™ DSBGA

Applications

  • Any end equipment with 1-series rechargeable batteries
    • Smartphones
    • Tablets
    • Cameras
    • Portable wearables/medical
    • Industrial handhelds

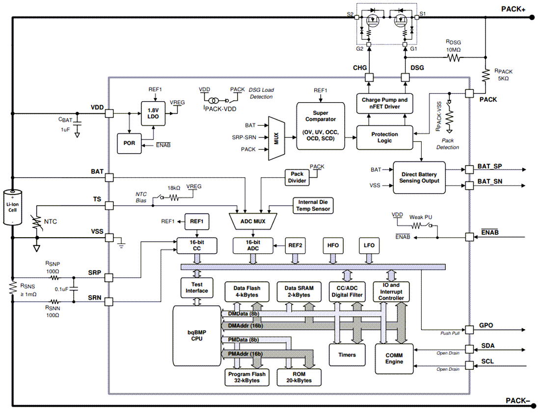
Functional Block Diagram

Block Diagram - Texas Instruments bq27Z746 Impedance Track™ Gas Gauge
Published: 2022-04-04 | Updated: 2022-06-09