Texas Instruments CD74HC4094/CD74HCT4094 Shift & Store Bus Registers

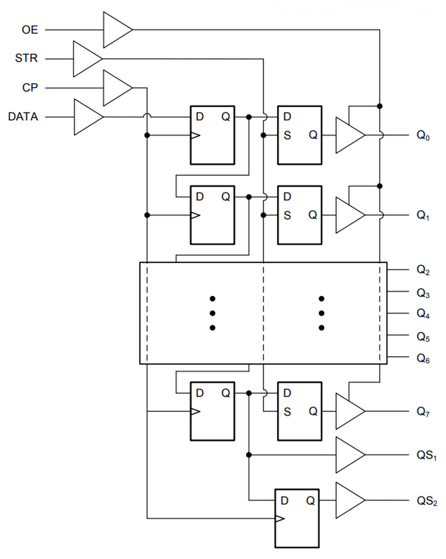
Texas Instruments CD74HC4094/CD74HCT4094 8-Stage Shift and Store Bus Registers are 8-stage serial shift registers with a storage latch at each stage for strobing data from the serial input to parallel buffered tri-state outputs. The parallel outputs can be connected directly to common bus lines. The data is shifted on positive clock transitions. When the Strobe input is high, each Texas Instruments CD74HC4094 /CD74HCT4094 data is transferred to the storage register. Whenever the Output-Enable signal is high, the data in the storage register appears in the outputs.

Features

  • Buffered inputs
  • Separate serial outputs synchronous to both positive and negative clock edges for cascading
  • Fanout (over temperature range)
    • Standard outputs: 10 LSTTL loads
    • Bus driver outputs: 15 LSTTL loads
  • -55°C to 125°C wide operating temp range
  • Balanced propagation delay and transition times
  • Significant power reduction compared to LSTTL logic ICs
  • HC types
    • 2V to 6V operation
    • High noise immunity: NIL = 30%, NIH = 30% of VCC at VCC = 5V
  • HCT types
    • 4.5V to 5.5V operation
    • Direct LSTTL input logic compatibility, VIL = 0.8V (max.), VIH = 2V (min.)
    • CMOS input compatibility, Il ≤ 1μA at VOL, VOH

Functional Block Diagram

Block Diagram - Texas Instruments CD74HC4094/CD74HCT4094 Shift & Store Bus Registers
Published: 2024-12-09 | Updated: 2024-12-13