Texas Instruments DRV10975 Sensorless BLDC Motor Controllers
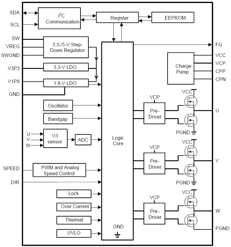
Texas Instruments DRV10975 Sensorless BLDC Motor Controllers are a three-phase sensorless motor driver with integrated power MOSFETs, which can provide continuous drive current up to 1.5A. Each device is specifically designed for cost-sensitive, low-noise/low external component count applications. These devices use a proprietary sensorless control scheme to provide continuous sinusoidal drive. They significantly reduce the pure tone acoustics that typically occur as a result of commutation. The Texas instruments DRV10975 controller features an integrated buck/linear regulator to efficiently step down the supply voltage to either 5V or 3.3V for powering both internal and external circuits. They are available in either a sleep mode or a standby mode version to conserve power when the motor is not running. The standby mode (4.5mA) version leaves the regulator running and the sleep mode (80µA) version shuts it off. It is recommended to use the standby mode version in applications where the regulator is used to power an external microcontroller.Features
- 6.5V to 18V input voltage range
- 250mΩ total driver H + L rDS(on)
- 1.5A continuous winding current (2A peak) drive current
- Sensorless proprietary back electromotive force (BEMF) control scheme
- Continuous sinusoidal 180° commutation
- No external sense resistor required
- Flexible User Interface Options
- I2C Interface: Access registers for command and feedback
- Dedicated SPEED Pin: Accepts either analog or PWM input
- Dedicated FG Pin: Provides TACH feedback
- Spin-up profile customizable with EEPROM
- Forward-reverse control with DIR pin
- Integrated step-down regulator to efficiently provide voltage (5V or 3.3V) for internal and external circuits
- Supply current 4.5mA with standby version (DRV10975)
- Supply current 80µA with sleep version (DRV10975Z)
- Overcurrent protection
- Lock detection
- Voltage surge protection
- UVLO protection
- Thermal shutdown protection
- Thermally-enhanced 24-pin HTSSOP
Applications
- Appliance fan
- HVAC
TI Reference Design Library
Functional Block Diagram
Published: 2015-05-22
| Updated: 2022-03-11
