Texas Instruments ISOW7721 Two-Channel Digital Isolator

Texas Instruments ISOW7721 Two-Channel Digital Isolator is a galvanically-isolated digital isolator with an integrated high-efficiency power converter with low emissions. The integrated DC-DC converter provides up to 550mW of isolated power. This feature eliminates the need for a separate isolated power supply in space-constrained isolation designs. If additional power is needed, the Texas Instruments ISOW7721 supports multi-device chaining, increasing the integrated power output to > 1W using two devices in a system.

Features

  • 100Mbps data rate
  • Integrated DC-DC converter with low-emissions, low-noise
    • Emissions optimized to meet CISPR 32 and EN 55032 Class B with > 5dB margin on 2-layer board
    • Low-frequency power converter at 25MHz enabling low noise performance
    • 24mV low output ripple 
  • High-efficiency output power
    • 46% efficiency at max load
    • Up to 0.55W output power
    • VISOOUT accuracy of ± 5%
    • Max available load current of 110mA at 5V to 5V
    • Max available load current of 140mA at 5V to 3.3V
    • Max available load current of 60mA at 3.3V to 3.3V
  • Support for a multi-ISOW7721 chain to increase system power output to > 1W and > 200mA
  • Independent power supply for channel isolator and power converter
    • 1.71V to 5.5V logic supply (VIO
    • 3V to 5.5V power converter supply (VDD)
  • Robust electromagnetic compatibility (EMC)
    • System-level ESD, EFT, and surge immunity
    • ±8kV IEC 61000-4-2 contact discharge protection across the isolation barrier
  • Reinforced and Basic isolation options
  • High CMTI (100kV/µs (typical))
  • Safety Related Certifications (Planned)
    • VDE reinforced and basic insulation per DIN VDE V 0884-11:2017-01
    • UL 1577 component recognition program
    • IEC 62368-1, IEC 61010-1, IEC 60601-1 and GB 4943.1-2011 certifications
  • –40°C to +125°C extended temperature range
  • 20-pin wide-body SOIC package

Applications

  • Factory automation
  • Motor control
  • Grid infrastructure
  • Medical equipment
  • Test and measurement

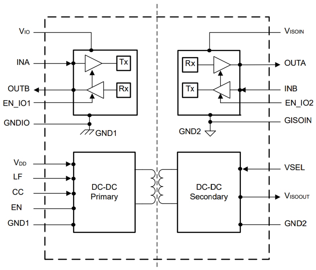
Simplified Schematic

Schematic - Texas Instruments ISOW7721 Two-Channel Digital Isolator
Published: 2022-08-26 | Updated: 2022-09-02