Texas Instruments SN74HCS137-Q1 3-to-8 Line Decoder/Demultiplexer

Texas Instruments SN74HCS137-Q1 3-to-8 Line Decoder/Demultiplexer is a three-to-eight decoder with latched address bits, one active-low output enable, and one standard output enable. The Texas Instruments SN74HCS137-Q1 devices are AEC-Q100 qualified for automotive applications.

Features

  • AEC-Q100 Qualified for automotive applications
    • Device temperature grade 1: –40°C to +125°C, TA
    • Device HBM ESD Classification Level 2
    • Device CDM ESD Classification Level C6
  • 2V to 6V wide operating voltage range
  • Schmitt-trigger inputs allow for slow or noisy input signals
  • ±7.8mA output drive at 6V
  • –40°C to +125°C, TA extended ambient temperature range
  • Low power consumption
    • Typical ICC of 100nA
    • Typical input leakage current of ±100nA

Applications

  • Memory device selection with a shared data bus
  • Reduce the required number of outputs for chip-select applications
  • Route data

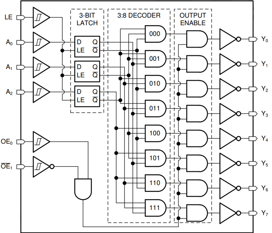
Functional Block Diagram

Block Diagram - Texas Instruments SN74HCS137-Q1 3-to-8 Line Decoder/Demultiplexer
Published: 2020-08-11 | Updated: 2024-08-01