Texas Instruments SN74LV8T157-EP Data Selectors/Multiplexers
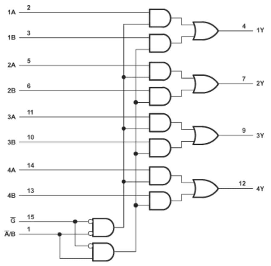
Texas Instruments SN74LV8T157-EP Data Selectors/Multiplexers contain four data selectors/multiplexers to select one of two data sources. The same address controls all channels, select strobe (G) input and (A/B) input. A high level at the strobe terminal forces all outputs low. The Texas Instruments SN74LV8T157-EP devices have gold bond wires, a temperature range of –55 to +105°C, and an SnPb lead finish.Features
- Wide operating range of 1.65V to 5.5V
- 5.5V tolerant input pins
- Single-supply voltage translator
- Up translation
- 1.2V to 1.8V
- 1.5V to 2.5V
- 1.8V to 3.3V
- 3.3V to 5.0V
- Down translation
- 5.0V, 3.3V, 2.5V to 1.8V
- 5.0V, 3.3V to 2.5V
- 5.0V to 3.3V
- Up translation
- Up to 150Mbps with 5V or 3.3V VCC
- Supports standard function pinout
- Latch-up performance exceeds 250mA per JESD 17
- Supports defense and aerospace applications
- Controlled baseline
- One assembly and test site
- One fabrication site
- Extended product life cycle
- Product traceability
Applications
- Enable or disable a digital signal
- Controlling an indicator LED
- Translation between communication modules and system controllers
Logic Diagram (Positive Logic)
Published: 2025-04-07
| Updated: 2025-04-11
