Texas Instruments SN74LVCH32373A 32-Bit Transparent D-Type Latch
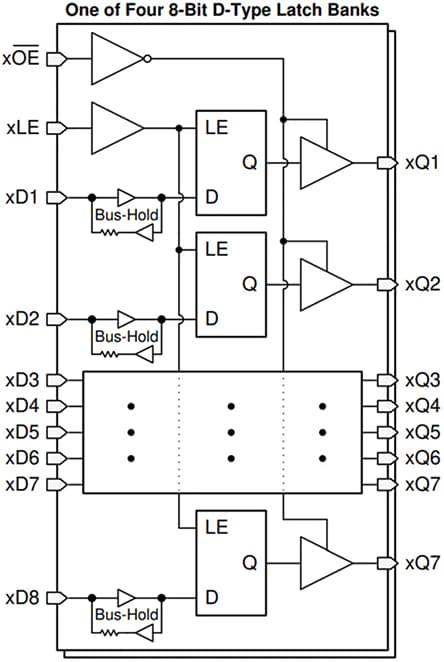
Texas Instruments SN74LVCH32373A 32-Bit Transparent D-Type Latch is designed for 1.65V to 3.6V supply voltage range (VCC) operation. The Texas Instruments SN74LVCH32373A is suitable for implementing buffer registers, I/O ports, bidirectional bus drivers, and working registers. It can be used as four 8-bit latches, two 16-bit latches, or one 32-bit latch. When the latch-enable (LE) input is high, the Q outputs follow the data (D) inputs. When LE is taken low, the Q outputs are latched at the levels set up at the D inputs.Features
- Member of the Texas Instruments Widebus+™ Family
- Operates from 1.65V to 3.6V
- Inputs accept voltages to 5.5V
- Max tpd of 4.2ns at 3.3V
- Typical VOLP (output ground bounce) < 0.8V at VCC = 3.3V, TA = 25°C
- Typical VOHV (output VOH undershoot) > 2V at VCC = 3.3V, TA = 25°C
- Ioff supports partial-power-down mode operation
- Supports mixed-mode signal operation (5V input and output voltages with 3.3V VCC)
- Bus hold on data inputs eliminates the need for external pullup/pulldown resistors
- Latch-up performance exceeds 250mA per JESD 17
- ESD protection exceeds JESD 22
- 2000V human-body model (A114-A)
- 200V machine model (A115-A)
Applications
- Buffer registers
- I/O ports
- Bidirectional bus drivers
- Working registers
Functional Block Diagram
Published: 2020-08-17
| Updated: 2025-07-03
