Texas Instruments TCA9509 Level Translating I2C/SMBus Bus Repeater

Texas Instruments TCA9509 I2C Bus / SMBus Repeater is designed for use in I2C/SMBus systems. The TCA9509 can also provide bidirectional voltage-level translation (up-translation/down-translation) between low voltages (down to 0.9V) and higher voltages (2.7V to 5.5V) in mixed-mode applications. This device enables I2C and similar bus systems to be extended, without degradation of performance even during level shifting. The TCA9509 buffers both the serial data (SDA) and the serial clock (SCL) signals on the I2C bus, allowing 400pF bus capacitance on the B-side. This device can also be used to isolate two halves of a bus for voltage and capacitance. The Texas Instruments TCA9509 has two types of drivers - A-side drivers and B-side drivers. All inputs and B-side I/Os are over-voltage tolerant to 5.5V. The A-side I/Os are overvoltage tolerant to 5.5V when the device is unpowered (VCCB and/or VCCA=0V).

Features

  • Two-Channel Bidirectional Buffer
  • I2C Bus and SMBus Compatible
  • Operating Supply Voltage Range of 2.7V to 5.5V on B-Side
  • Operating Voltage Range of 0.9V to 5.5V on A-Side
  • Voltage-Level Translation From 0.9V to 5.5V and 2.7V to 5.5V
  • Active-High Repeater-Enable Input
  • Requires No External Pullup Resistors on Lower-Voltage Port-A
  • Open-Drain I2C I/O
  • 5.5V Tolerant I2C and Enable Input Support Mixed-Mode Signal Operation
  • Lockup-Free Operation
  • Accommodates Standard Mode and Fast Mode I2C Devices and Multiple Masters
  • Supports Arbitration and Clock Stretching Across Repeater
  • Powered-Off High-Impedance I2C Bus Pins
  • Supports 400kHz Fast I2C Bus Operating Speeds
  • Available in
    • 1.6mm × 1.6mm, 0.4mm height, 0.5mm Pitch QFN Package
    • 3mm × 3mm Industry Standard MSOP Package
  • Latch-Up Performance Exceeds 100mA Per JESD 78, Class II
  • ESD Protection Exceeds JESD 22
    • 2000V Human-Body Model (A114-A)
    • 1000V Charged-Device Model (C101)

Applications

  • Servers
  • Routers (Telecom Switching Equipment)
  • Industrial Equipment
  • Products with many I2C slaves and/or long PCB Traces

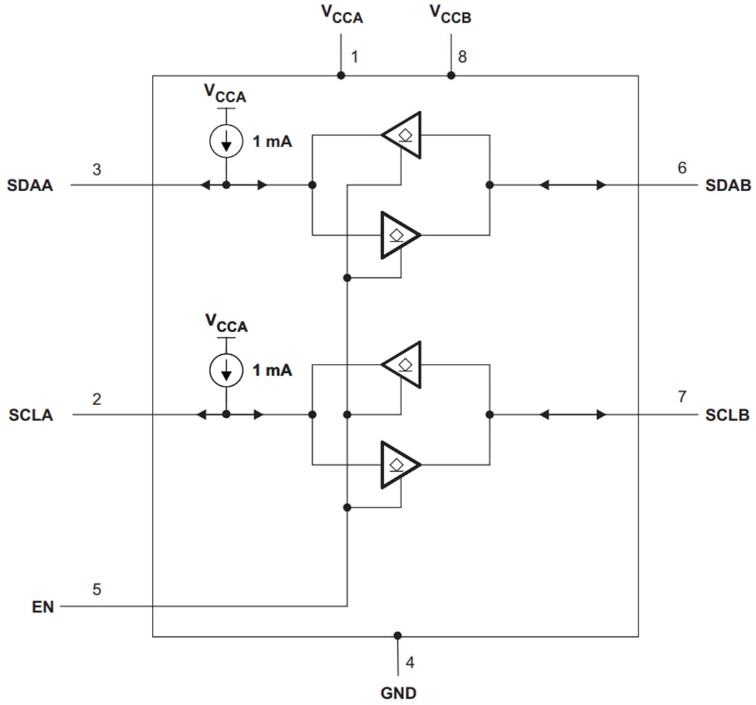
Functional Block Diagram

Block Diagram - Texas Instruments TCA9509 Level Translating I2C/SMBus Bus Repeater
Published: 2012-01-30 | Updated: 2022-03-11