Texas Instruments TLV774 Low-Dropout (LDO) Linear Regulators

Texas Instruments TLV774 Low-Dropout (LDO) Linear Regulators are designed to provide a voltage source with high PSRR. These small regulators provide load and line transient performance that meets the requirements of various circuits. The TLV774 LDO linear regulators source 300mA of output current. These regulators operate with a 1μF single input capacitor and 1μF ceramic output capacitor. The TLV774 LDO linear regulators feature an internal soft-start circuit to eliminate inrush current, foldback current limit, and active output pulldown resistor. These regulators are available in a standard 1mm x 1mm X2SON (DQN) package. The TLV774 LDO linear regulators are used in applications such as tablets, gaming consoles, smartphones, notebooks, camera modules, and set-top boxes.

Features

  • 60dB (1kHz) and 45dB (1MHz) high PSRR
  • 2% output voltage accuracy
  • Foldback current limit
  • Active output pulldown resistor
  • 310mV maximum low dropout voltage at 300mA (1.2VOUT) overtemperature
  • 1.4V to 5.5V VIN range
  • 1mm x 1mm, 4-pin X2SON (DQN) package

Applications

  • Smartphones
  • Tablets
  • Gaming consoles
  • Notebools
  • Set-top boxes
  • Camera modules
  • Streaming media players

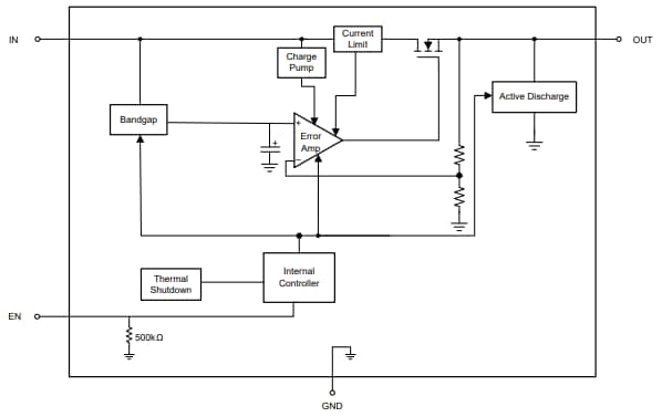
Functional Block Diagram

Block Diagram - Texas Instruments TLV774 Low-Dropout (LDO) Linear Regulators

Application Circuit Diagram

Application Circuit Diagram - Texas Instruments TLV774 Low-Dropout (LDO) Linear Regulators
Published: 2025-01-20 | Updated: 2025-04-09