Texas Instruments TPD4E001 ESD Protection Arrays

Texas Instruments TPD4E001 ESD Protection Arrays are four-channel transient voltage suppressor (TVS) based electrostatic discharge (ESD) protection diode arrays. The TPD4E001 is rated to dissipate ESD strikes at the maximum level specified in the IEC 61000-4-2 international standard (Level 4). The TPD4E001 arrays have a 1.5pF IO capacitance per channel, making it ideal for high-speed data IO interfaces. The ultra-low leakage current (<1nA maximum) is suitable for precision analog measurements in applications like glucose meters and heart rate monitors.

The Texas Instruments TPD4E001 ESD Protection Arrays are available in DRL (SOT), DBV (SOT-23), DCK (SC-70), DRS (QFN), and DPK (PUSON) packages and are specified for –40°C to +85°C operation.

Features

  • IEC 61000-4-2 ESD protection (Level 4)
    • ±8kV contact discharge
    • ±15kV air-gap discharge
  • 5.5A peak pulse current (8/20µs pulse)
  • 1.5pF (typical) IO capacitance
  • 1nA (maximum) low leakage current 
  • 1nA low supply current 
  • 0.9V to 5.5V supply-voltage range
  • Space-saving DRL, DBV, DCK, DPK, and DRS package options
  • Alternate 2, 3, 6-channel options available: TPD2E001, TPD3E001, TPD6E001

Applications

  • USB 2.0
  • Ethernet
  • FireWire™ serial bus
  • LVDS
  • SVGA video connections
  • Glucose meters

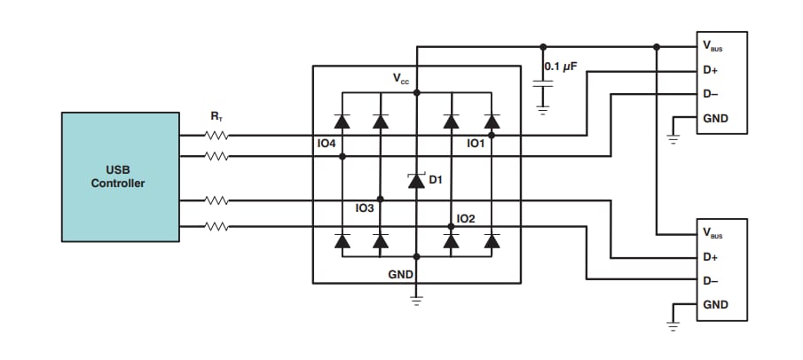
Application Schematic

Schematic - Texas Instruments TPD4E001 ESD Protection Arrays
Published: 2019-10-15 | Updated: 2024-08-10