Texas Instruments TPIC2010 Serial I/F Controlled Motor Driver
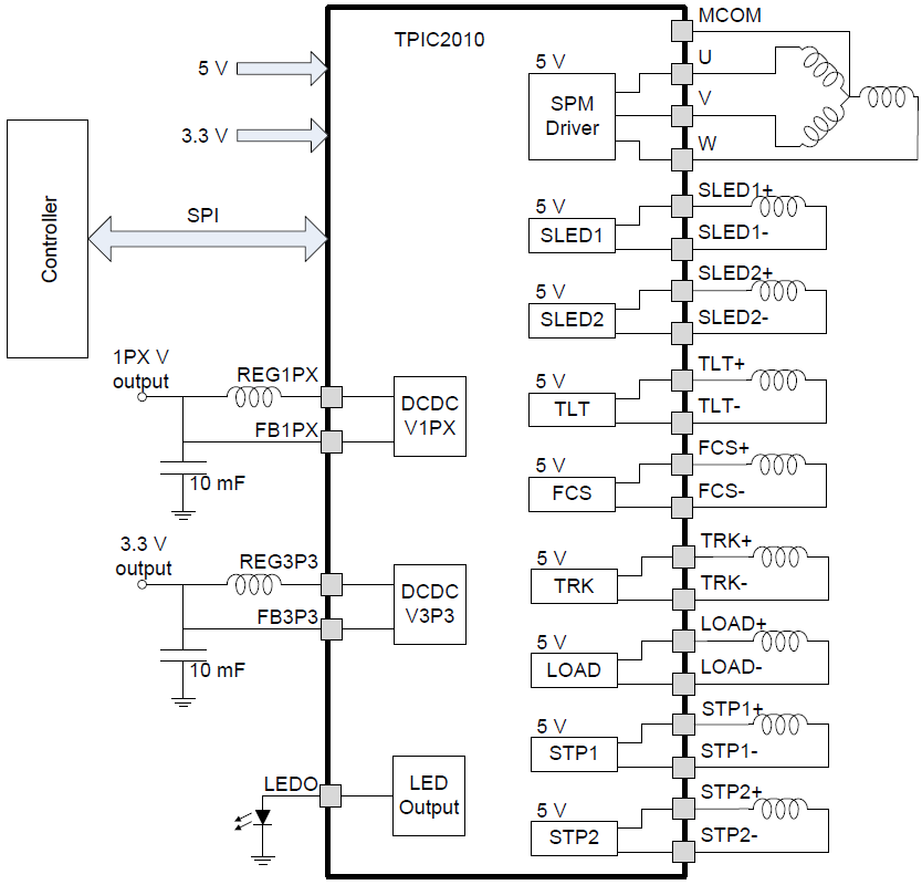
Texas Instruments TPIC2010 Serial I/F Controlled Motor Driver is a very-low noise type motor driver IC suitable for slim or ultra-slim ODD. The 9-channel driver IC is controlled by serial I/F. The serial I/F is optimal for driving a spindle motor, a sled motor (stepping motor applicable), a load motor, and focus/tracking/tilt actuators and stepping motor for collimator lens. The Texas Instruments TPIC2010 includes 2-channel synchronous DC-DC converters. The discontinuous regulation mode on the DC-DC converter improves efficiency at low power consumption significantly. The spindle motor driver uses BEMF feedback for startup, control, and low-noise operation without external sensors.Features
- Serial peripheral interface
- Maximum read/write 35MHz
- 3.3V digital I/O
- Actuator and motor driver
- PWM control with H-bridge output
- Focus/tracking/tilt actuator driver with DAC control
- Sled motor drivers with current mode, 10-bit DAC control
- Load driver with 12-bit DAC control
- Stepping motor driver with 8-bit PWM control
- End position detector for collimator lens, sled without position sensor
- Spindle motor driver
- Sensor-less BEMF position feedback
- 12-bit spindle DAC
- Self-contained inductive position sense and startup
- A quick stop by automatic controlled brake (active brake and short brake)
- 0.7A maximum continuous current excluding thermal issues
- LS mode: 25% speed
- On-chip thermometer (15°C to 172.5°C)
- Switch
- Two switch circuits controllable by software
- LED (switch for LED driver with 0.1A OCP)
- CSW (low RDS(ON) current switch with 0.1A OCP
- DC-DC converter
- V1Px: pin-selectable conversion voltage 1.0V/1.2V/1.5V; 0.9A output capability with 1.85A overcurrent protection
- V3P3: fixed 3.3V DC-DC converter; 0.5A output capability with 1.15A overcurrent protection
- 2.5MHz switching frequency
- Improved efficiency at low current with discontinuous regulation mode
- Protection
- Individual thermal protect circuit on LED/CSW, switch, DC-DC converter, SPM, and actuator
- Two alert levels (pre-detect and detect in thermal protection)
- ACTTEMP: monitor the actuator temperature calculated from integrated the DAC value set up in the past
- Undervoltage Lockout (UVLO) and Overvoltage Protection (OVP)
Applications
- Blu-ray™ player
- DVD player
- CD player
- Optical disk drive
Simplified Block Diagram
Published: 2016-05-09
| Updated: 2022-03-11
