Texas Instruments TPS22998 Single-Channel Load Switch

Texas Instruments TPS22998 Single-Channel Load Switch provides a configurable rise time to minimize inrush current. The device contains an N-channel MOSFET that can operate over an input voltage range of 0.2V to 5.5V and supports a maximum continuous current of 10A.

The switch is controlled by an on and off input (ON), which can interface directly with low voltage control signals (VIH = 0.9V). The TPS22998 has a fixed quick output discharge when the switch is turned off, pulling the output down to ground.

The Texas Instruments TPS22998 is available in a 1.5mm × 2.0mm, 0.5mm pitch, 10-pin WQFN package (RYZ) and is characterized for operation over the free-air temperature range of –40°C to +105°C.

Features

  • 0.2V to 5.5V input operating voltage range (VIN)
  • 2.2V to 5.5V bias voltage range
  • 10A maximum continuous current
  • 4mΩ (typ.) on-resistance (RON)
  • Adjustable slew rate with tri-state pin
  • 50Ω Quick Output Discharge (QOD)
  • Thermal shutdown
  • Low power consumption
    • 15µA (typ.) ON state (IQ)
    • 3µA (typ.) OFF state (ISD)

Applications

  • Solid-state drive
  • PC and notebooks
  • Industrial PC
  • Optical module

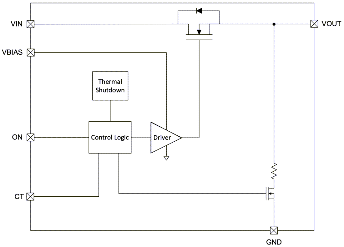
Functional Block Diagram

Block Diagram - Texas Instruments TPS22998 Single-Channel Load Switch
Published: 2022-03-22 | Updated: 2022-05-20